

第1页 / 共22页

第2页 / 共22页

第3页 / 共22页

第4页 / 共22页

第5页 / 共22页

第6页 / 共22页

第7页 / 共22页

第8页 / 共22页

第9页 / 共22页

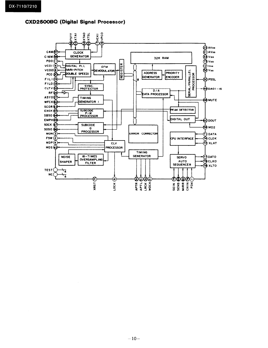
第10页 / 共22页
试读已结束,还剩12页,您可下载完整版后进行离线阅读
THE END
DX-7110/7210Ref.No.0M3496ONO。SERVICE MANUALCOMPACT DISC PLAYERMODEL DX-7110/7210三,Black and Silver (only DX-7210)modelBMP SMP230V AC.50HzBMD120VAC.60Zonly DX-7210BBMW120220VAC.5(060uSAFETY-RELATED COMPONENT WARNING!!SPECIFICATIONSCOMPONENTS IDENTIFIED BY MARK A ON THECompact Dise Plaver Model DX-730SCHEMATIC DIAGRAM AND IN THE PARTS LIST ARESignal readout system:Optical non-contactCRITICAL FOR RISK OF FIRE AND ELECTRIC SHOCK.Reading rotation:About 500-200 r.p.m.REPLACE THESE COMPONENTS WITH ONKYO PARTS(constant linear velocity)Linear velocity:1.2-1.4msWHOSE PARTS NUMBERS APPEAR AS SHOWN IN THISError correction system:Cross Interleave Reed Solomon codeMANUALD/A converter:1 bit PWM ACCUPULSE D/A CON.VERTERMAKE LEAKAGE-CURRENT OR RESISTANCE MEA.Sampling frequency:352.8kHzSUREMENTS TO DETERMINE THAT EXPOSED PARTS(Eight-times oversampling)ARE ACCEPTABLY INSULATED FROM THE SUPPLYNumber of channels:2 (stereo)CIRCUIT BEFORE RETURNING THE APPLIANCE TOFrequency response:5 Hz 20 kHzTHE CUSTOMER.Total harmonic distortion:0.004%(at 1 kHz)Dynamic range:96 dBSignal to noise ratio:100dBChannel separation:90 dB (at 1 kHz)Wow and Flutter:Below threshold of measurabilityOutput level:2 volts r.m.s.Power consumption:12 wattsPower supply rating:U.K.and Australian models:AC240V.50H2European model:AC 230V,501lz (Except U.K.)USA Canadian models:AC 120V,60HzONKYOWorldwide model:AC 120V and 220Vswitchable 50/60HzAUDIO COMPONENTSDimensions(W×H×D:455×120×308mmWeight:4.8kg,I0.61bs,Specifications and external appearance are subject to change with-out notice because of product improvements
请登录后查看评论内容