

第1页 / 共124页

第2页 / 共124页

第3页 / 共124页

第4页 / 共124页

第5页 / 共124页

第6页 / 共124页

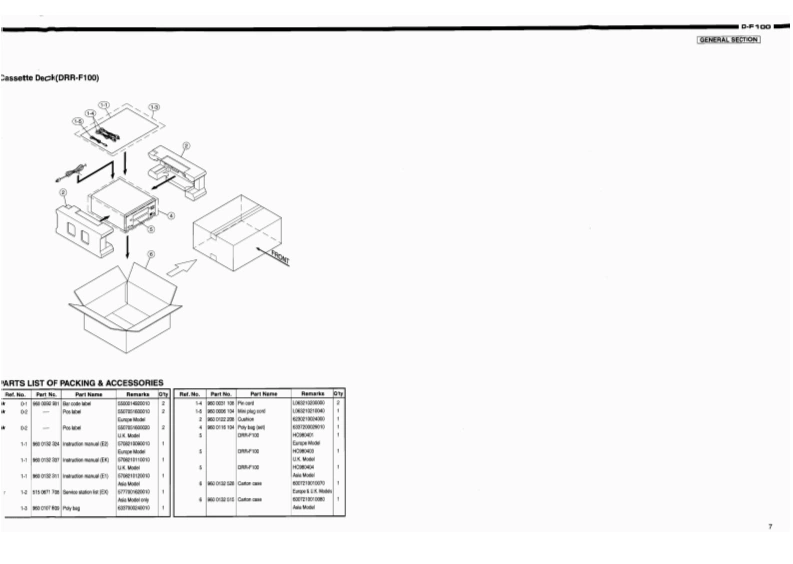
第7页 / 共124页

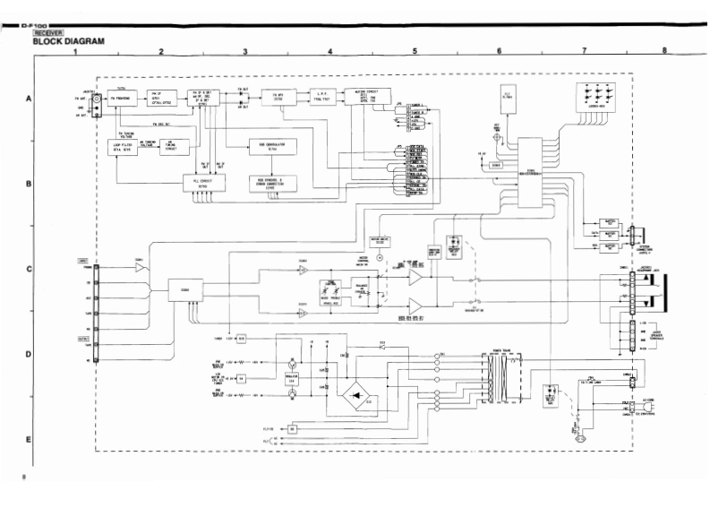
第8页 / 共124页

第9页 / 共124页

第10页 / 共124页
试读已结束,还剩114页,您可下载完整版后进行离线阅读
THE END
DENONHi-Fi Personal Component SystemSERVICE MANUALMODEL▣-FMOOPERSONAL COMPONENT SYSTEM三FnB000-0后。8g0①d…9ǚ曾白白白密w:香語可This Service Manual covers the following components:DRA-F100(AM/FM Stereo Receiver)DCD-F100(Compact Disc Player)DMD-F100(Mini Disc Recorder)DRR-F100(Cassette Tape Deck)SC-F100(Speaker System)(Option for Asia model)The D-F100 Personal Component System consists of the following:AM/FM Stereo ReceiverDRA-F100Compact Disc PlayerDCD-F100Mini Disc RecorderDMD-F100Cassette Tape DeckDRR-F100Speaker SystemSC-F100(Option for Asia model)Some illustrations using this service manual are slightly different from the actual set.NIPPON COLUMBIA CO.LTD
请登录后查看评论内容