

第1页 / 共26页

第2页 / 共26页

第3页 / 共26页

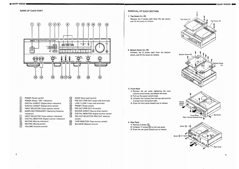
第4页 / 共26页

第5页 / 共26页

第6页 / 共26页

第7页 / 共26页

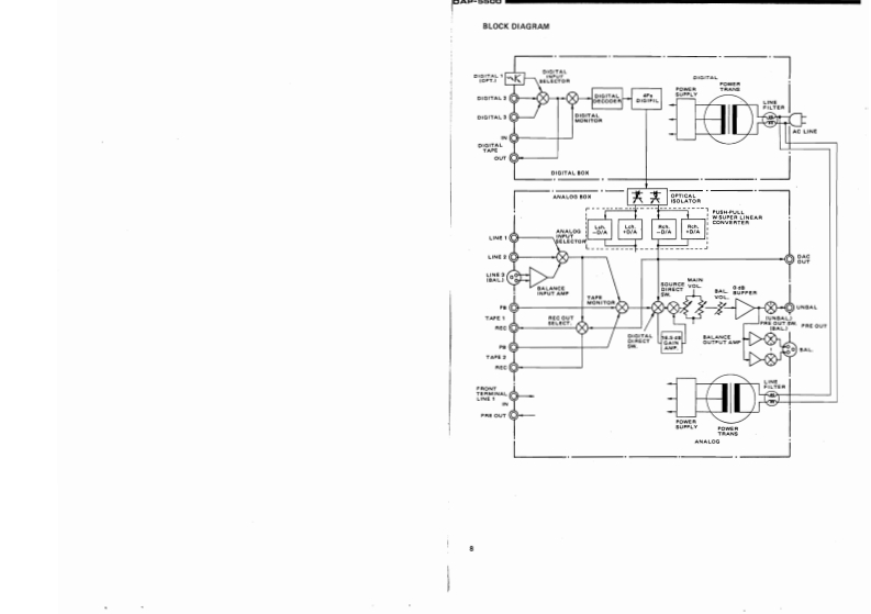
第8页 / 共26页

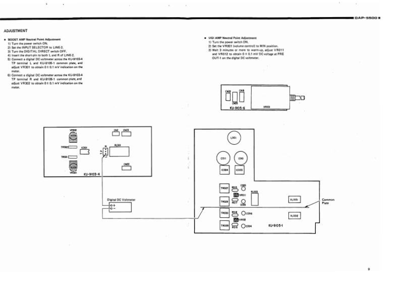
第9页 / 共26页

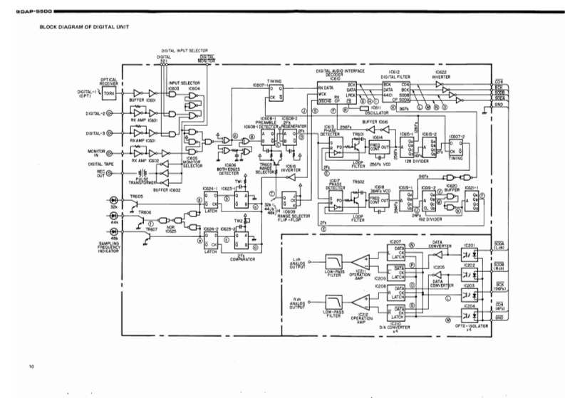
第10页 / 共26页
试读已结束,还剩16页,您可下载完整版后进行离线阅读
THE END
DENONHi-Fi Digital Audio PreamplifierSERVICE MANUALMODEL▣AP-55OODIGITAL AUDIO PREAMPLIFIER0000TABLE OF CONTENTSPRECAUTIONSSPECIFICATIONS23NAME OF EACH PART4REMOVAL OF EACH SECTIONCONNECTIONS67BLOCK DIAGRAM⊙ADJUSTMENT9BLOCK DIAGRAM OF DIGITAL UNITTIMING CHART..11SAMPLING FREQUENCY INDICATION ADJUSTMENT12SEMICONDUCTORS......13,14PRINTED WIRING BOARD PARTS LIST15~20KU-9102E DIGITAL SIG UNITKU-9103E DIGITAL P.S.UNITKU-9104E D.A INPUT UNITKU-9105E ANALOG P.S.UNITKU-9116E SERVO UNITPRINTED WIRING BOARD PATTERNS.....21~23KU-9105 ANALOG P.S.UNITKU-9102 DIGITAL SIG UNITKU-9104 D.A.INPUT UNITKU-9116 SERVO UNITKU-9103 DIGITAL P.S.UNITEXPLODED VIEW OF CHASSIS AND CABINET24PARTS LIST OF EXPLODED VIEW。。。。,WIRING DIAGRAM ..2SCHEMATIC DIAGRAM (ANALOG UNIT)SCHEMATIC DIAGRAM(DIGITAL UNIT)28NIPPON COLUMBIA CO.,LTD.
请登录后查看评论内容