

第1页 / 共20页

第2页 / 共20页

第3页 / 共20页

第4页 / 共20页

第5页 / 共20页

第6页 / 共20页

第7页 / 共20页

第8页 / 共20页

第9页 / 共20页

第10页 / 共20页
试读已结束,还剩10页,您可下载完整版后进行离线阅读
THE END
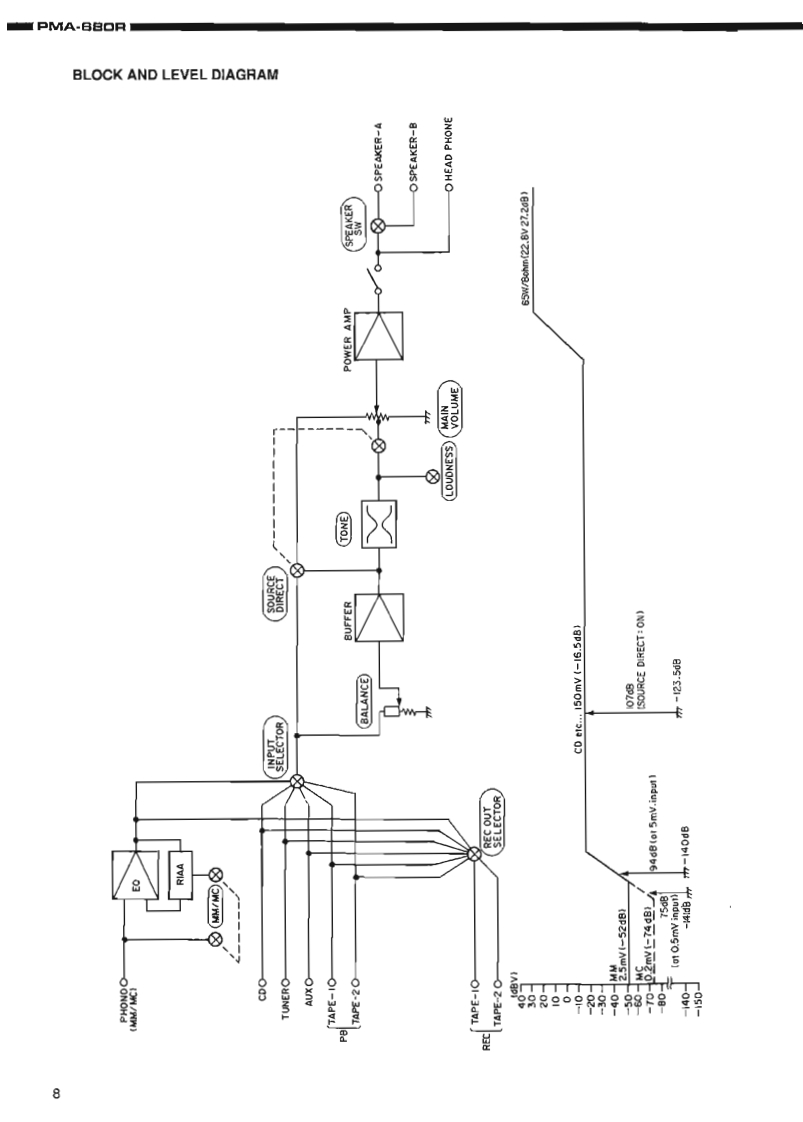
DENONHi-Fi Integrated Stereo AmplirierSERVICE MANUALMODEL PMA-68ORINTEGRATED STEREO AMPLIFIERCONTENTSOPERATINGINSTRUCTIONS...................................................2-7BLOCKANDLEVELDIAGRAM..........................8METHOD OF ADJUSTMENTS9REMOVALOFEACHSECTION..............................................................10SEMIC0 NDUCTO0RS...................11PAINTEDWIRINGBOARD..............................................................12,13PRINTED WIRING BOARD PARTS LIST ....................................................14,15EXPLODED VIEW OF CHASSIS AND CABINET…16PARTS LISTOF EXPLODEDVIEW...........................................................17WIRINGDIAGRAM ........................................................................18SCHEMATIC DIAGRAM…19NIPPON COLUMBIA CO..LTD
请登录后查看评论内容