

第1页 / 共22页

第2页 / 共22页

第3页 / 共22页

第4页 / 共22页

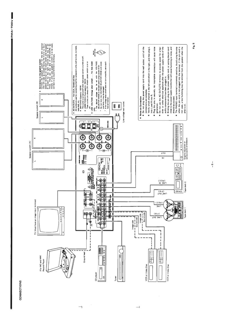
第5页 / 共22页

第6页 / 共22页

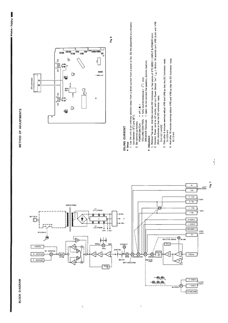
第7页 / 共22页

第8页 / 共22页

第9页 / 共22页

第10页 / 共22页
试读已结束,还剩12页,您可下载完整版后进行离线阅读
THE END
DENONHi-Fi Integrated AmplifierSERVICE MANUALMODEL PMA-7O▣VSOLID STATEINTEGRATED AMPLIFIER5TABLE OF CONTENTS%s398 TIONOAR月SPECIFICATIONSREMOVAL OF EACH 5ECTION.........................................................CONNECTIONS.BLOCK DIAGRAMJUSTMENTS......0卡5年有卡有无”15卡4卡15111月卡5卡9卡”15行9卡9卡49卡4卡中中中年中年÷年中年40,卡4+4▣4年;9年年,号年SEMICONDUCTORS...8PRINTED WIRING BOARD PATTERNS AND PARTS LIST88888a0w710WIRING DIAGRAM...SCHEMATIC DIAGRAM4竹修NIPPON COLUMBIA CO.,LTD.20
请登录后查看评论内容