

第1页 / 共25页

第2页 / 共25页

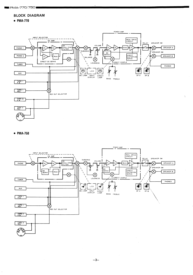
第3页 / 共25页

第4页 / 共25页

第5页 / 共25页

第6页 / 共25页

第7页 / 共25页

第8页 / 共25页

第9页 / 共25页

第10页 / 共25页
试读已结束,还剩15页,您可下载完整版后进行离线阅读
THE END
DENONHi-Fi Pre-Main AmplifierSERVICE MANUALMODEL PMA-77O/75▣SOLID STATEPRE MAIN AMPLIFIERPMA-770PMA-750CONTENTSSPECIFICATIONS,··,·,,······12BLOCK DIAGRAM,.····METHOD OF ADJUSTMENTS4EXPLODED VIEW OF CABINET CHASSIS6EXPLODED VIEW OF PARTS LIST ....68PRINTED CIRCUIT BOARD PATTERNS AND PARTS LISTT0NEEQ.UNIT ETC-453,453J...,..·,..:.,·,···912REC LCD UNIT ETC-454B,454K.................1314INPUT EQ.UNIT ETC-452B,452K15~18NIRING DIAGRAM·,,,,·,,,,··········20,21CONNECTION DIAGRUM,.,·.·...19,21NIPPON COLUMBIA CO.,LTD.
请登录后查看评论内容