

第1页 / 共21页

第2页 / 共21页

第3页 / 共21页

第4页 / 共21页

第5页 / 共21页

第6页 / 共21页

第7页 / 共21页

第8页 / 共21页

第9页 / 共21页

第10页 / 共21页
试读已结束,还剩11页,您可下载完整版后进行离线阅读
THE END
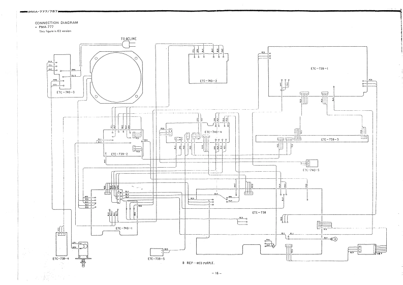
DENONHi-Fi Pre-Main AmplifierSERVICE MANUALMODEL PMA-777/757SOLID STATEPRE MAIN AMPLIFIER中四PMA-777粥深女器药必控好的U.5.A.Version OnlyPMA-757Asia Version OnlyCONTENTSSPECIFICATIONS……2CONTROLS AND FUNCTIONSCONNECTIONS··METHOD OF ADJUSTMENT ........................................................6BLOCK OIAGRAM .............................SEMICONDUCTORSPRINTED WIRING BOARD PATTERNS AND PARTS LISTP.S PROTECT UNIT ETC-0740,0740B10-11.17INPUT EQ.UNIT ETC-0739,0739B…1213,18-19TONE POWER UNIT ETC-0738,0738B.14-15,20-21CONNECTION DIAGRAM ...................16,22WIRING OIAGRAM.,........23,25EXPLODED VIEW OF CHASSIS AND CABINET…24,26NIPPON COLUMBIA CO.,LTD
请登录后查看评论内容