

第1页 / 共89页

第2页 / 共89页

第3页 / 共89页

第4页 / 共89页

第5页 / 共89页

第6页 / 共89页

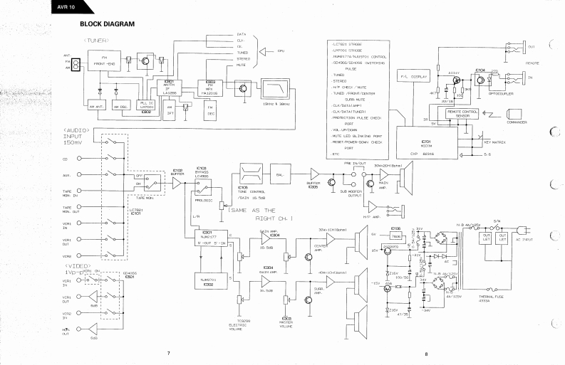
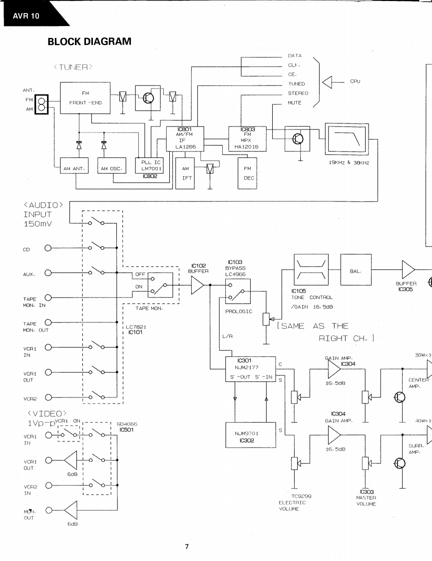
第7页 / 共89页

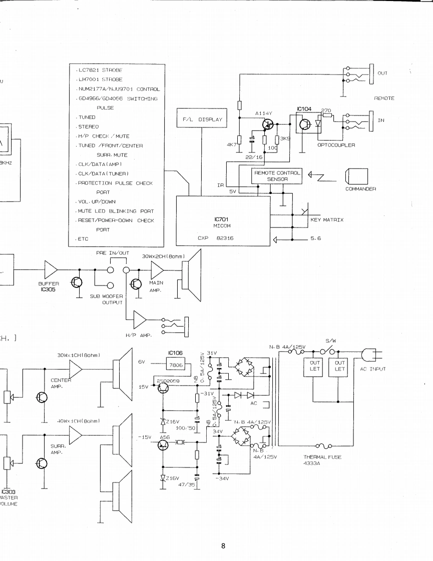
第8页 / 共89页

第9页 / 共89页

第10页 / 共89页
试读已结束,还剩79页,您可下载完整版后进行离线阅读
THE END
The Harman KardonModel AVR10Manual AAUDIO AND VIDEO RECEIVERTechnical Manualharman/kardon AVR 10w丽丽般弱可666⑧⊙可■CONTENTSSPECIFICATIONS…2GENERAL UNIT…27LEAKAGE TEST…4PRINTED CIRCUIT BOARDS........29CONTROLS AND FUNCTIONS ...................5ELECTRICAL PARTS LIST..........35BLOCK DIAGRAM…7SEMICONDUCTOR LEAD IDENTIFICATIONDISASSEMBLY PROCEDURES........9&INTERNAL DIAGRAM…42CIRCUIT DESCRIPTION.......12TRANSISTOR LEAD IDENTIFICATION…47ALIGNMENT PROCEDURES+…20PACKAGE…48TROUBLESHOOTING…23WIRING DIAGRAM…49GENERAL UNIT PARTS LIST ............26SCHEMATIC DIAGRAMS(L,IL,IΠ,IV).50harman/kardonParts and Service Office80 Crossways Park West,Woodbury,N.Y.117971112-AVR10A G9603 1200 Printed in Korea
请登录后查看评论内容