

第1页 / 共67页

第2页 / 共67页

第3页 / 共67页

第4页 / 共67页

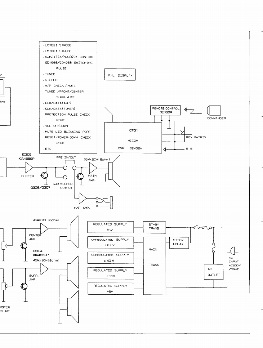
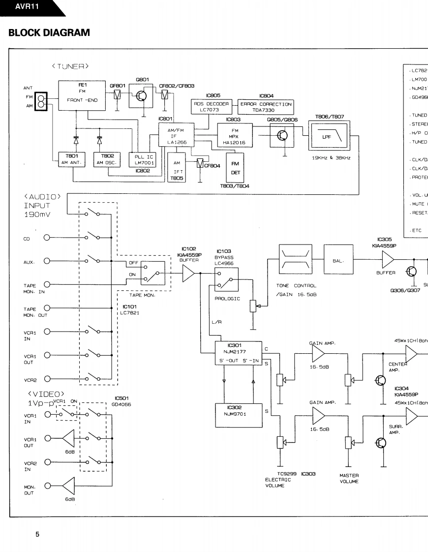
第5页 / 共67页

第6页 / 共67页

第7页 / 共67页

第8页 / 共67页

第9页 / 共67页

第10页 / 共67页
试读已结束,还剩57页,您可下载完整版后进行离线阅读
THE END
The Harman KardonModel AVR11Manual AAUDIO AND VIDEO RECEIVERTechnical Manualharman/kardon A 110⊙00⊙只B8888888总日00000品666⑨。⑨CONTENTSSPECIFICATIONS .............…2PRINTED CIRCUIT BOARDS......................27LEAKAGE TEST....3ELECTRICAL PARTS LIST.......30CONTROLS AND FUNCTIONS4…4IC FUNCTIONAL BLOCK DIAGRAM…36BLOCK DIAGRAM…5NIRING DIAGRAM…40DISASSEMBLY PROCEDURES…6SCHEMATIC DIAGRAM(①)…41CIRCUIT DESCRIPTION44…8SCHEMATIC DIAGRAM (II)…42ALIGNMENT PROCEDURES..........19SCHEMATIC DIAGRAM(II⑩…43TROUBLESHOOTING……22SCHEMATIC DIAGRAM(IV)............44GENERAL UNIT PARTS LIST ......................25REAR PANEL CONNECTIONS…45GENERAL UNIT EXPLODED VIEW..............26PACKAGE…46harman/kardonParts and Service Office80 Crossways Park West,Woodbury,N.Y.117971112-AVR11 G9711 1200 Printed in Korea
请登录后查看评论内容