哈曼卡顿Harman-Kardon-HK-990-230-维修手册

哈曼卡顿Harman-Kardon-HK-990-230-维修手册-找手册网
哈曼卡顿Harman-Kardon-HK-990-230-维修手册
此内容为付费资源,请付费后查看
1921
付费资源

第1页 / 共141页

第2页 / 共141页

第3页 / 共141页

第4页 / 共141页

第5页 / 共141页

第6页 / 共141页

第7页 / 共141页

第8页 / 共141页

第9页 / 共141页

第10页 / 共141页
试读已结束,还剩131页,您可下载完整版后进行离线阅读
THE END
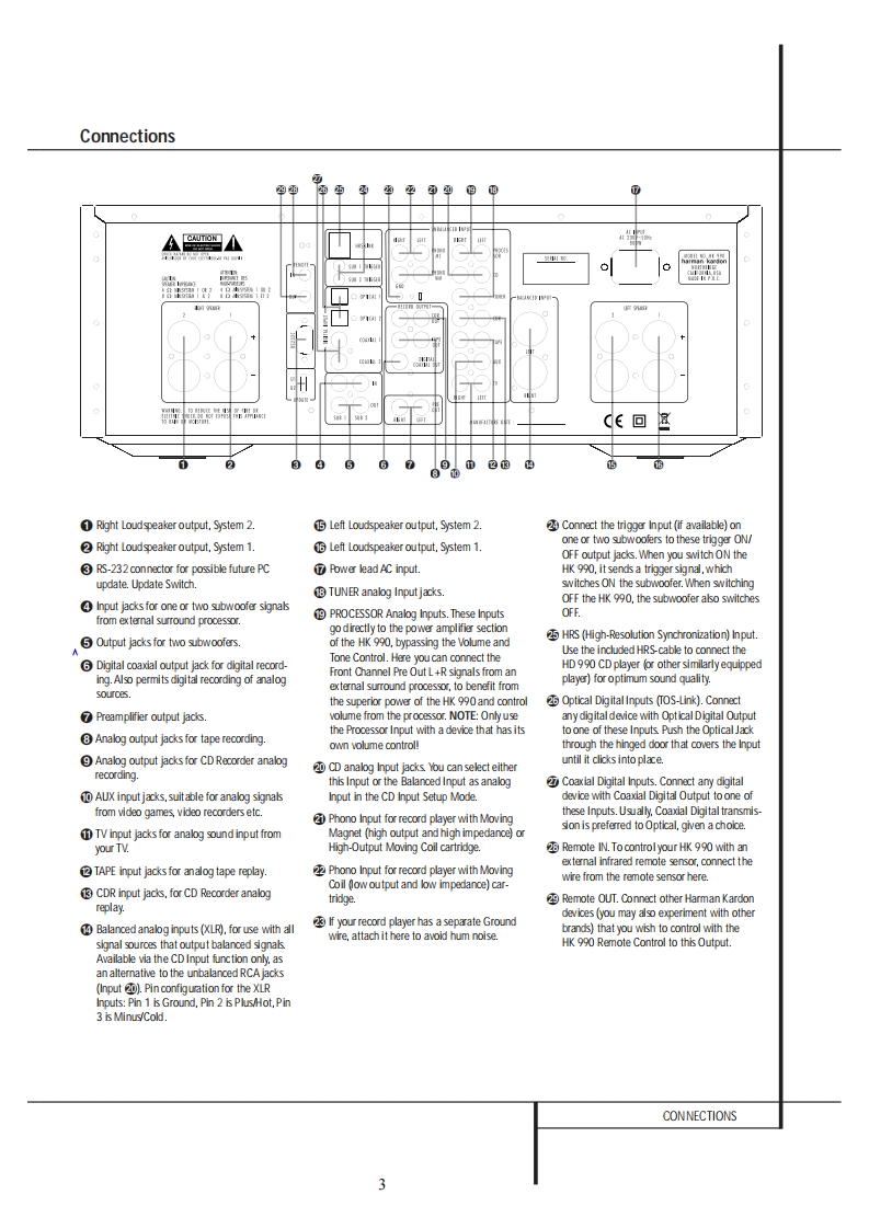
harman/kardonService ManualHK990/2302 x 200W INTEGRATED STEREO AMPLIFIERHK刚CD/ANALOGVOLUME -24dBn:n·harman/kardonReleased EU2009harman/kardon,Inc.Rev0,03/2009250 Crossways Park Dr.Woodbury,New York,11797
喜欢就支持一下吧
评论 抢沙发

请登录后发表评论

    请登录后查看评论内容