

第1页 / 共53页

第2页 / 共53页

第3页 / 共53页

第4页 / 共53页

第5页 / 共53页

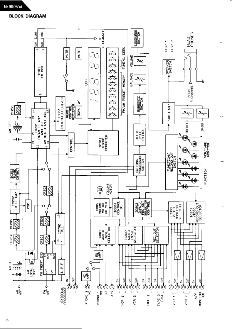
第6页 / 共53页

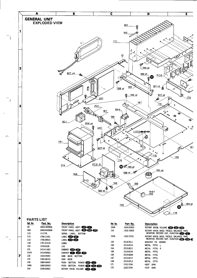
第7页 / 共53页

第8页 / 共53页

第9页 / 共53页

第10页 / 共53页
试读已结束,还剩43页,您可下载完整版后进行离线阅读
THE END
The Harman KardonModel hk990VxiManual 135AHIGH VOLTAGE/HIGH CURRENTSTEREO RECEIVERTechnical Manualhmnk30nk3W白白白8888等0D①The following marks found in the parts list of this manual identifythe models as follows.North America area modelNorth America area model Black versionGeneral modelGΦ:General model Black versionAustralia model Black versionharman/kardon
请登录后查看评论内容