

第1页 / 共36页

第2页 / 共36页

第3页 / 共36页

第4页 / 共36页

第5页 / 共36页

第6页 / 共36页

第7页 / 共36页

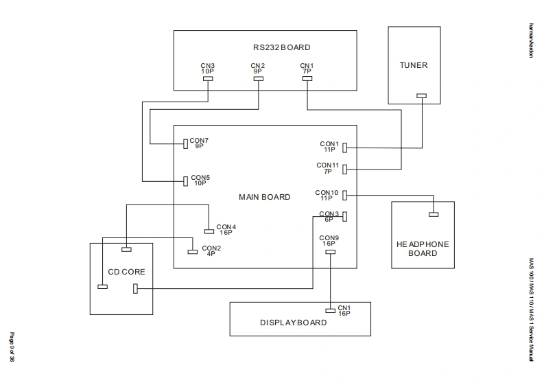
第8页 / 共36页

第9页 / 共36页

第10页 / 共36页
试读已结束,还剩26页,您可下载完整版后进行离线阅读
THE END
harman/kardonMAS 100/MAS 110/MAS 1 Service Manualharman/kardonService ManualMAS 100MAS 110SAS 100Compact Music SystemService Manual for CD sectionand MAS 1 loudspeakers四CBolune14-36福9harman/kardonCONTENTSBASIC SPECIFICATIONS2PARTS LIST0FRONT PANEL INFORMATIONSEMICONDUCTOR PINOUTS12REAR PANEL INFORMATION4PCB DRAWINGSREMOTE CONTROL INFORMATION5SCHEMATIC DIAGRAMS31EXPLODED VIEW7MAS 1 LOUDSPEAKER,EXPLODED VIEW 35WIRING DIAGRAM9MAS 1 PARTS LIST36Released EU2009Harman InternationalRev4,06/20128500 Balboa BoulevardNorthridge,California 91329Page 1 of 36
请登录后查看评论内容