

第1页 / 共75页

第2页 / 共75页

第3页 / 共75页

第4页 / 共75页

第5页 / 共75页

第6页 / 共75页

第7页 / 共75页

第8页 / 共75页

第9页 / 共75页

第10页 / 共75页
试读已结束,还剩65页,您可下载完整版后进行离线阅读
THE END
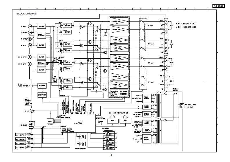
The Harman KardonModel PA 2000/PA 4000Manual AMULTICHANNEL AMPLIFIERTechnical Manualharman/kardonNCONTENTSTECHNICAL SPECIFICATIONS......-.03PARTS LIST....18ALIGNMENT PROCEDURES ...........-05IC BLOCK DIAGRAM.-8BLOCK DIAGRAM.........06PRINTED CIRCUIT BOARDS.-..61DISASSEMBLY PROCEDURES.............08SCHEMATIC DIAGRAMS....67EXPLODED VIEW........11WIRING DIAGRAM......73PRINCIPAL SCREW LOCATION............13PACKING MATERIAL.............76harman/kardonParts and Service Office80 Crossways Park West,Woodbury,N.Y.11797Printed in Korea
请登录后查看评论内容