

第1页 / 共75页

第2页 / 共75页

第3页 / 共75页

第4页 / 共75页

第5页 / 共75页

第6页 / 共75页

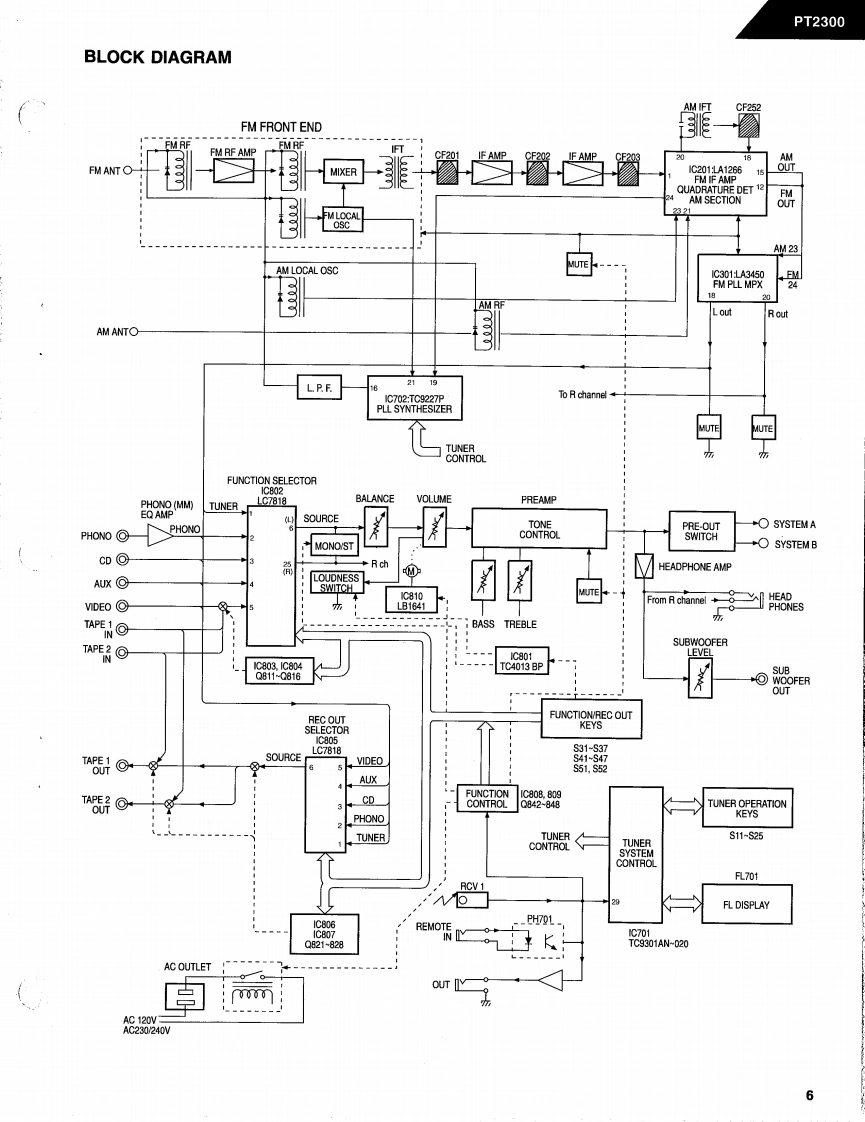
第7页 / 共75页

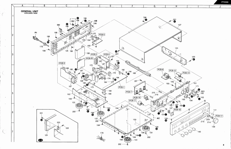
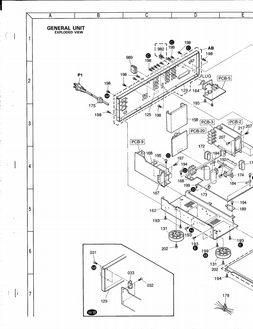
第8页 / 共75页

第9页 / 共75页

第10页 / 共75页
试读已结束,还剩65页,您可下载完整版后进行离线阅读
THE END
The Harman KardonLLModel PT2300Manual ASTEREO TUNERTechnical Manualharman/kardons1G飞3TRE·NE长1k因0m188.8868The following marks found in the parts list of this manualidentify the models as follows:North America area model Black versionInternational model Black versionharman/kardonService and Parts Department240 Crossways Park West,Woodbury,N.Y.117971112-PT2300-AP93051200Printed in USA
请登录后查看评论内容