

第1页 / 共80页

第2页 / 共80页

第3页 / 共80页

第4页 / 共80页

第5页 / 共80页

第6页 / 共80页

第7页 / 共80页

第8页 / 共80页

第9页 / 共80页

第10页 / 共80页
试读已结束,还剩70页,您可下载完整版后进行离线阅读
THE END
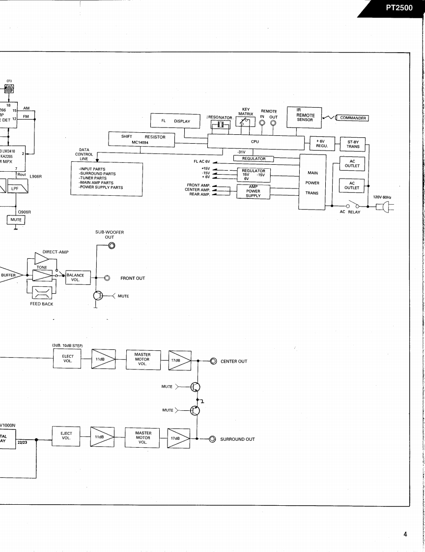
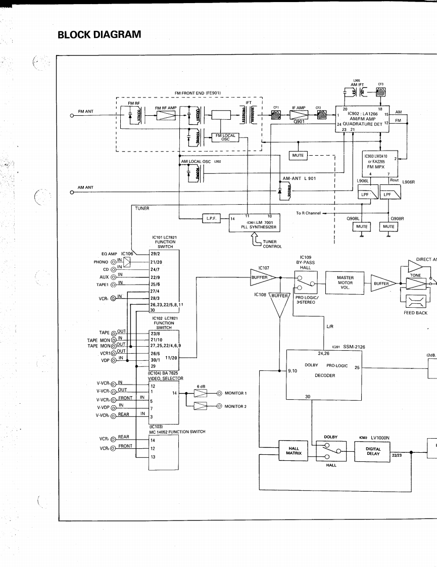
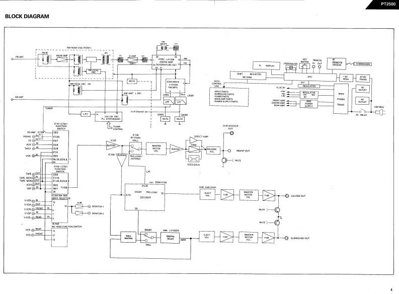
The Harman KardonModel PT2500Manual AA/V SURROUND TUNER CONTROLLERTechnical Manualharman/kardon PT2500⊙0⑧g▣g三里:88888886u⊙o可■CONTENTSSPECIFICATIONS…1PRINTED CIRCUIT BOARDS.........2LEAKAGE TEST…3ELECTRICAL PARTS LIST............28BLOCK DIAGRAM…IC FUNCTIONAL BLOCK DIAGRAM…32CONTROLS AND FUNCTIONS44…5WIRING DIAGRAM............................38DISASSEMBLY PROCEDURES................6SCHEMATIC DIAGRAM(④…39CIRCUIT DESCRIPTION…8SCHEMATIC DIAGRAM (ID).40ALIGNMENT PROCEDURES..................17SCHEMATIC DIAGRAM(I)…41TROUBLESHO0TlNG…20REAR PANEL CONNECTIONS……42GENERAL UNIT PARTS LIST…23PACKAGE…43GENERAL UNIT EXPLODED VIEW.............24harman/kardonParts and Service Office80 Crossways Park West,Woodbury,N.Y.117971112-PT2500 G9711 1200 Printed in Korea
请登录后查看评论内容