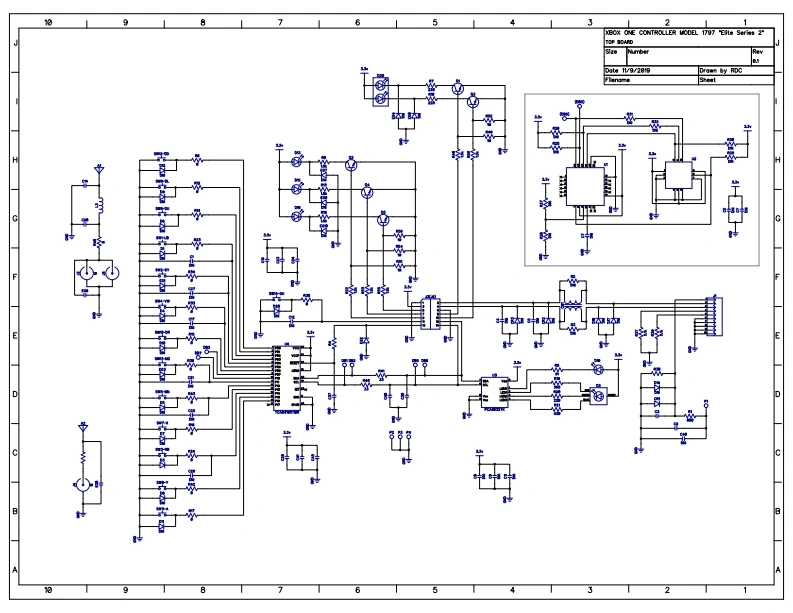
微软XBOXONE1797TOPBOARD维修电气原理图手册

微软XBOXONE1797TOPBOARD维修电气原理图手册-找手册网
微软XBOXONE1797TOPBOARD维修电气原理图手册
此内容为付费资源,请付费后查看
1921
立即购买
您当前未登录!建议登陆后购买,可保存购买订单
付费资源

第1页 / 共1页
已完成全部阅读,共1
THE END
107531XEOX ONE CONTROLLER MODEL 1797 Eite Series 2T30024E2物3t01lw9/28t9Drawn by RDCG学的的函片银达片银达EDA39865
喜欢就支持一下吧
评论 抢沙发

请登录后发表评论

    请登录后查看评论内容