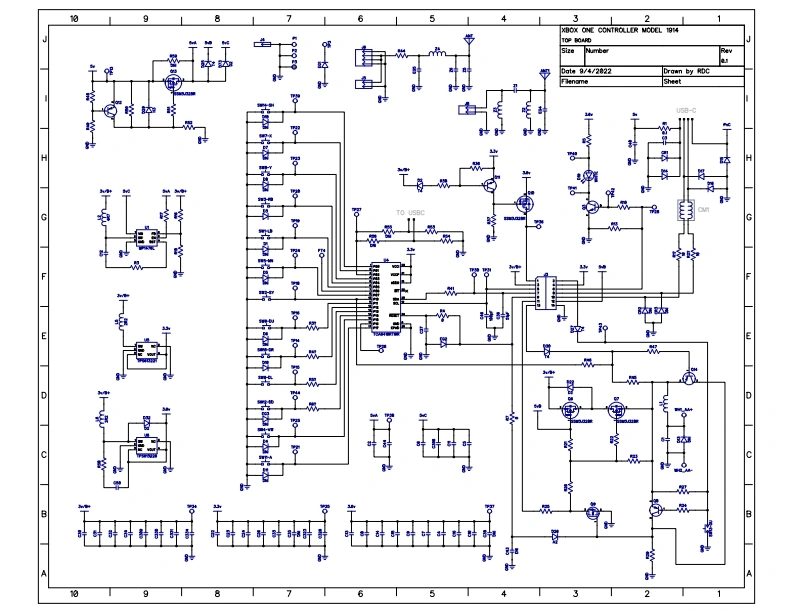
微软XBOXONE1914TOPBOARD维修电气原理图手册

微软XBOXONE1914TOPBOARD维修电气原理图手册-找手册网
微软XBOXONE1914TOPBOARD维修电气原理图手册
此内容为付费资源,请付费后查看
1921
立即购买
您当前未登录!建议登陆后购买,可保存购买订单
付费资源

第1页 / 共1页
已完成全部阅读,共1
THE END
1怕921XBOX ONE CONTROLLOR MODEL 1914TOP BOARDRevDate 9/4/2822Drown by RDC达USB-CGFEEDA帕42
喜欢就支持一下吧
评论 抢沙发

请登录后发表评论

    请登录后查看评论内容