

第1页 / 共34页

第2页 / 共34页

第3页 / 共34页

第4页 / 共34页

第5页 / 共34页

第6页 / 共34页

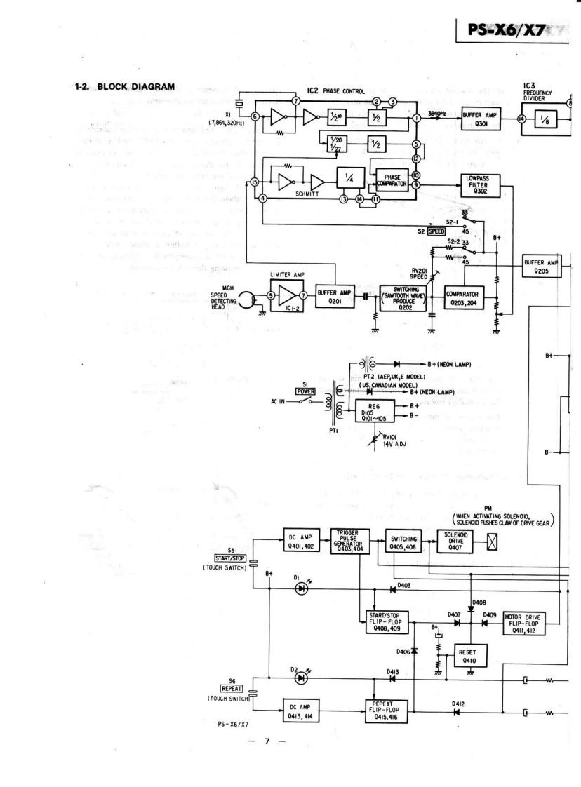
第7页 / 共34页

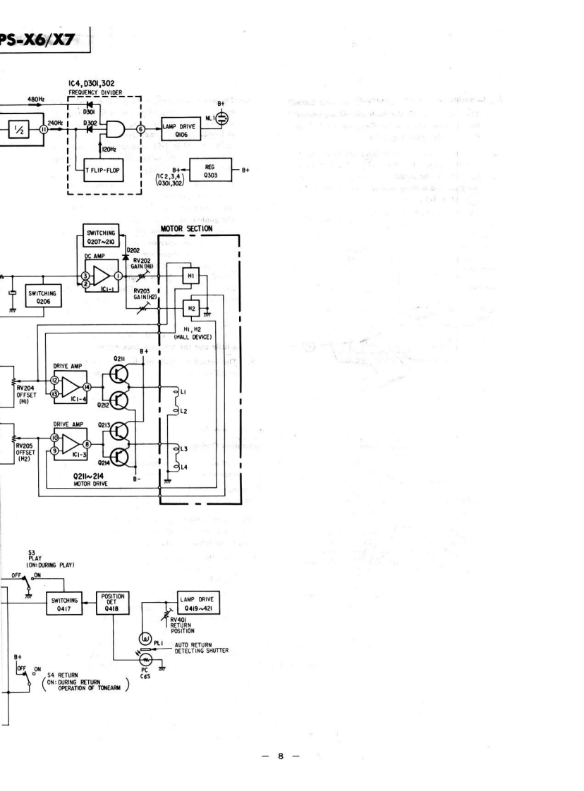
第8页 / 共34页

第9页 / 共34页

第10页 / 共34页
试读已结束,还剩24页,您可下载完整版后进行离线阅读
THE END
PS-X6/X7US ModelCanadian ModelAEP ModelUK ModelE ModelPS-X7:AEP,UK,E modelPS-X6:AEP,UK,E modeFULL AUTOMATICCartridge in only supplied with theturntable system of E model.STEREO TURNTABLE SYSTEMSPECIFICATIONSGENERALWow apd Flutter:±0.045%(D1N)Power Requirements:120V ac,60Hz (US,Canadian model)0.025%(WRMS)110,120.220or240Vac,50/60HzS/N Ratio:73dB (DIN-B)(AEP.UK,E model)Initial Drift:Power Consumption:8W(US,Canadian model)Within 0.0003%12W (AEP,UK,E model)Load Characteristics:At 150g tracking force 0%Dimensions:Approx.445(w)x 150 (h)x 375 (d)mmSpeed Deviation:Within 0.003%171/(w)x 578 (h)x 1434 (d)inchesincluding projecting parts and controlsTONEARMWeight:US,Canadian modelType:Statically balanced,universal pivotApprox.10.3 kg.22 Ib 12 oz (net)Pivot to Stylus Length:Approx.12.1 kg,26Ib 11 oz (in shipping216.5mm,81/2 inchescarton)Overall Arm Length:300 mm,117/s inchesAEP,UK.E modelApprox.10.9 kg.24 lb (net)Overhang:16.5mm,21/32 inchesApprox.12.7 kg.28 Ib (in shipping carton)Tracking Error:+3,-1TURNTABLETracking-forceAdjustment Range:0-3gPlatter:31.7cm(12⅓inches),Shell Weight:10.5galuminum-alloy diecastCartridge Weight Range:Motor:DC servo-controlled motor2.5-9.5g8-14.5g(brushless and slotless)(with extra weight)Drive System:Direct drive,crystar lock control systemSpeed:33⅓rpm.45rpmStarting Characteristics:Continued on page 2-Comes to nominal speed within a thirdrevolution (33 1/3 rpm)SAFETY-RELATED COMPONENT WARNING!!COMPONENTS IDENTIFIED BY SHADING ON THESCHEMATIC DIAGRAMS AND IN THE PARTS LIST ARESONYCRITICAL TO SAFE OPERATION.REPLACE THESECOMPONENTS WITH SONY PARTS WHOSE PARTNUMBERS APPEAR AS SHOWN IN THIS MANUAL ORIN SUPPLEMENTS PUBLISHED BY SONY.SERVICE MANUAL
请登录后查看评论内容