

第1页 / 共36页

第2页 / 共36页

第3页 / 共36页

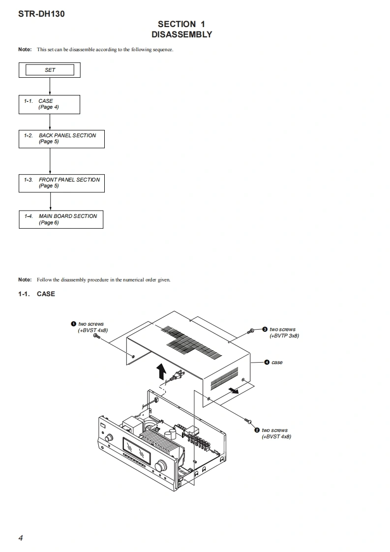
第4页 / 共36页

第5页 / 共36页

第6页 / 共36页

第7页 / 共36页

第8页 / 共36页

第9页 / 共36页

第10页 / 共36页
试读已结束,还剩26页,您可下载完整版后进行离线阅读
THE END
STR-DH130SERVICE MANUALUS ModelCanadian ModelVer.1.02012.01AEP ModelSpecificationsToneAUDIO POWERnSw击BAL0 TREBLE=Gain levelsSupplied accessoriesSPECIFICATIONS0dB).SWeighted network,input level.Operating InstructionsPOWER OUTPUT AND TOTAL·Quick Setup GuideHARMONIC DISTORTION:FM tuner sectionFM wire antenna (aerial)(1)(US model only)luning range87.5MHz-108.0HzWith 8 ohm loads,both channels driven,fromAntenna(aerial)FM wire antenna (aerial)e20-20,000 Hz;rated 90 watts per channelAntenna (aerial)terminalsminimum RMS power,with no more than 0.09%75 ohms,unbalancedtotal harmonic distortion from 250 milliwatts to.AM loop antenna (acrial)(1)rated output.AM tuner sectionTuning rangeAmplifier sectionAreaTuning scaleUS,Canadian and AEP models10 kHz step9k比sepMinimum RMS Output Power (8 ohms,20 Hz-US,Canadian530 kHz-531 kHz-20kHb,THD0.09%61,710kHz1,710kH2.Remote control (RM-AAUI30)(1)90W+90w531 kHz-Stereo Mode Output Power (8 ohms,I kHz,AEP1,602 kHzTHD 1%)Antenna (acrial)100W+100WLoop antenna (acrial)GeneralMeasured under the following conditions:Power requirements.R6 (size AA)batteries (2)AreaPower requirementsAreaPower requirementsUS,Canadian120VAC,60H2US,Canadian120 VAC,60 HzAEP230VAC,50H2AEP230VAC,5060HzFrequency responsePower consumption 200 WAnalog10 Hz-70 kHzPower consumption (during standby mode)+0.5/-2 dB(with BASS0.3wDesign and specifications are subject to0 dB,TREBLE=0 dB)Dimensions (wh/d)(Approx.)change without notice.Input430mm×132.5mm×Analog (PORTABLE IN)279mm(17in×51/4in×Sensitivity:I V/11 in)including projectingHalogenated flame retardants are not used inolsthe certain printed wiring boards.50 kilohmsS/N4:96dB(A,500mV)Mass (Approx.)InputsAnalog (Except PORTABLE IN)Sensitivity:500 mV/5 kilohmsS/4:96dB(A,500mVOutputsAnalog (AUDIO OUT)Voltage:500 mV/10 kilohmsFM STEREO /FM-AM RECEIVER9-890-596-012012A08-1Sony Corporation©2012.01Published by Sony EMCS(Malaysia)PG TecSONY
请登录后查看评论内容