

第1页 / 共20页

第2页 / 共20页

第3页 / 共20页

第4页 / 共20页

第5页 / 共20页

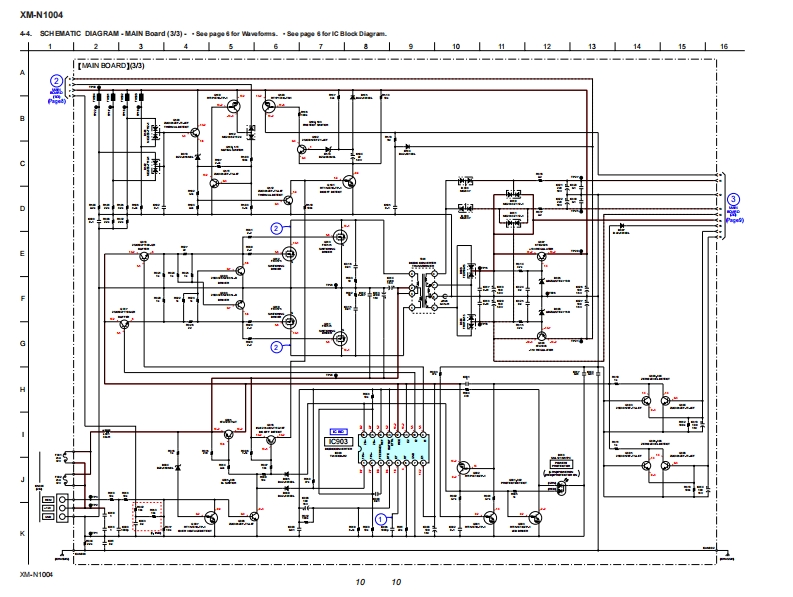
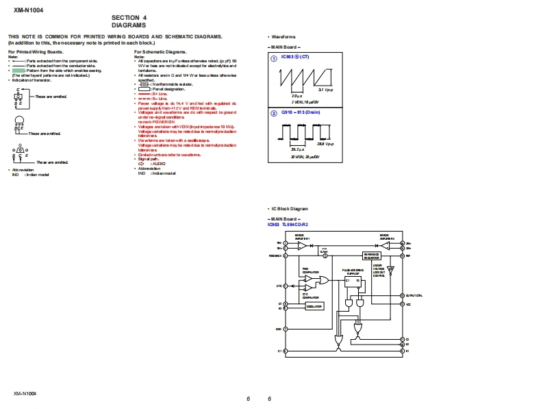
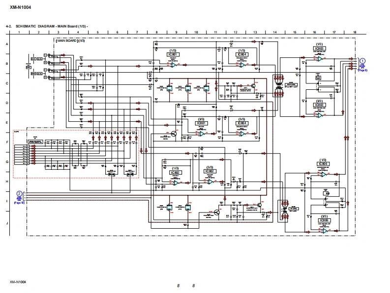
第6页 / 共20页

第7页 / 共20页

第8页 / 共20页

第9页 / 共20页

第10页 / 共20页
试读已结束,还剩10页,您可下载完整版后进行离线阅读
THE END
XM-N1004SERVICE MANUALCanadian ModelAEP ModelVer.1.02013.07UK ModelEModelSPECIFICATIONSCircuit systemOTL (output transformerless)Frequency responsecircuit5Hz -50 kHz(dB)Pulse power supplyHarmonic distortionInputsRCA pinjacks0.05%or less (at 1 kHz,4)High level input connectorLow-pass filter80 Hz,18 dB/oct(E and Indian models only)High-pass filter 80 Hz 12 dB/octInput level adjustment rangePower requirements0.3-6V (RCA pin jacks)12VDC car batter2.8-12V (High level input)(negative ground)(E and Indian models only)Power supply voltageOutputsSpeaker terminals0.5-16VSpeakerimped由nceat rated output:36 A2-8n(stereo】(42,70w×4)4-80 (when used as abridgingRemote input:1 mAamplifier)DimensionsAppr0X.342×55×232mmMaximum output(w/h/d)not incl projecting parts4 Speakers:170 Wx 4 (at 40)and controls3 Speakers:250 W x 2(at 20)+MassApprox.2.7 kg not ind.500w×1 BTL,at4)accessories2 Speakers:500 W x 2(BTL,atSupplied accessories42)Mounting screws (4)Rated outputHigh level input cord (1)(supply voltage at 14.4 V,20 Hz-20 kHz,1%THD)(E and Indian models only)4 Soeakers70w×4at4Protection cap(1)85W×4at2]2 Speakers:175 Wx2(BTL,atDesign and specifications are subject to changewithout notice.42)STEREO POWER AMPLIFIER9-893-784-012013G33-1Sony Corporation©2013.07SONYPublished by Sony Techno Create Corporation
请登录后查看评论内容