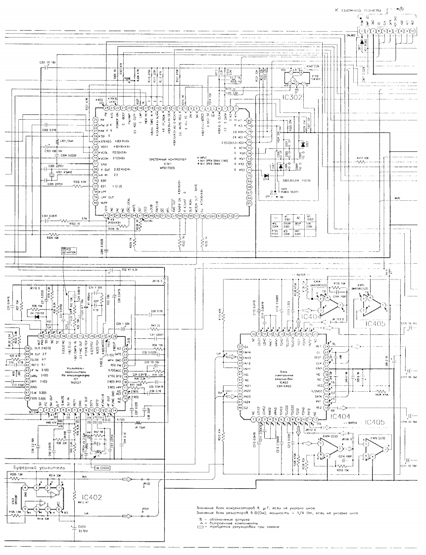
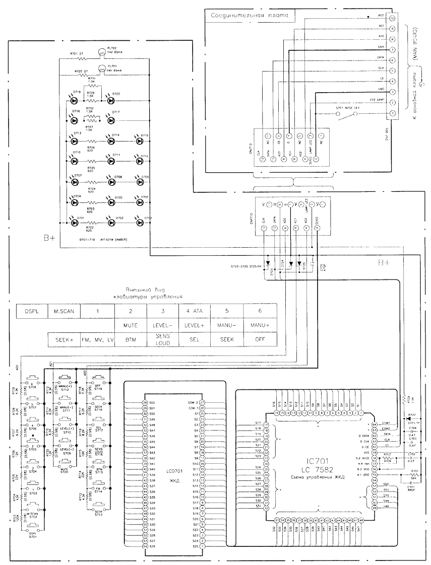
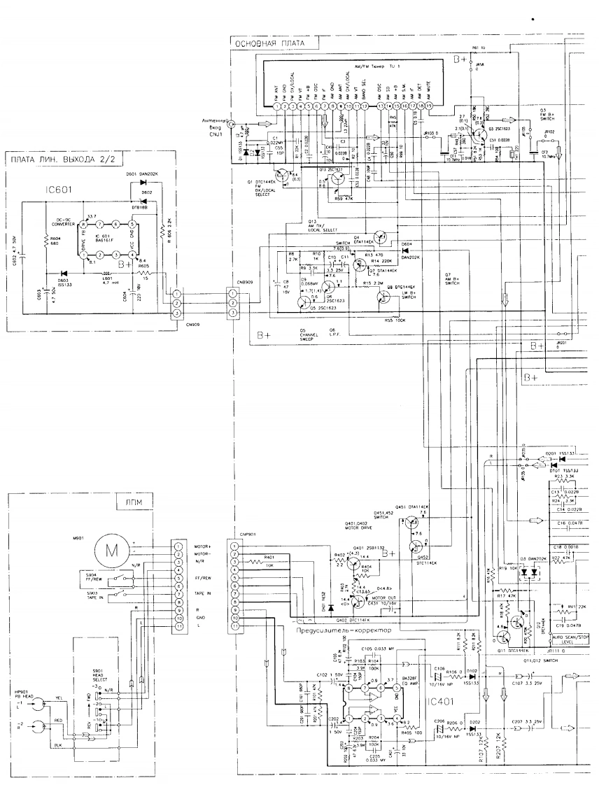
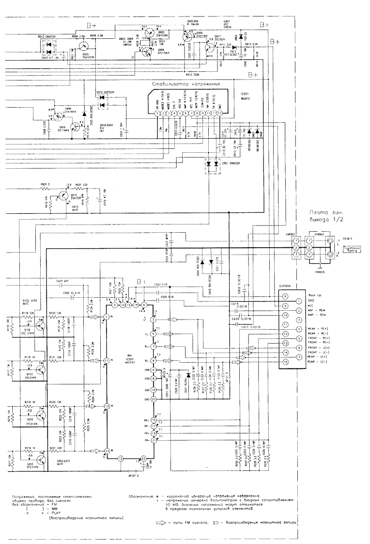
索尼XR-4403维修手册含电器原理图找手册网16天前发布关注私信0.21MB4页039索尼XR-4403维修手册含电器原理图此内容为付费资源,请付费后查看¥19¥21黄金会员免费钻石会员免费登录购买付费资源 第1页 / 共4页 第2页 / 共4页 第3页 / 共4页 第4页 / 共4页 已完成全部阅读,共4页 THE END索尼 文本预览 OCHOBHAST NNATAB+C3nnATA nMH.BbXONA 2/2厚相D61w202X401C601贴方⑦-6BATSIFe.202B+1522刘T/5251673B+3+几nM089024020.047丽76144945620402114FKpegycuaume no46G19.47C105Q031110390162N/Rg10/IE NPC107J.32w07C401付w16 查看更多 收起部分 喜欢就支持一下吧收藏
请登录后查看评论内容