

第1页 / 共20页

第2页 / 共20页

第3页 / 共20页

第4页 / 共20页

第5页 / 共20页

第6页 / 共20页

第7页 / 共20页

第8页 / 共20页
试读已结束,还剩12页,您可下载完整版后进行离线阅读
THE END
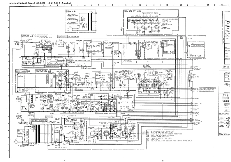
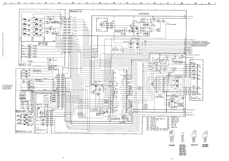
AIWAS/M Code No.84-026DETA OF ISSUE 9/1984SERVICEMANUALMODEL NO.STEREO CASSETTEDECKAD-R65OTYPE.HB,HUB,CB,UB,EB,KB,GB,ZBSPECIFICATIONSTypeStereo cassette tape deckTape speed4.8cm/sec.(1-7/8ips)Track format4 tracks,2 channelsRewind time65sec.(C-60)Circuitry20 ICs,35 transistors,Fast forward time 65 sec.(C-60)22 diodes,34 LEDs,Recording system AC bias(frequency 85 kHz)2 photo-interrupterErase systemACerasePower supplyAD-R650E.ZMotorDC Servomotor for capstan x 1AC220V,50/60HzDC motor for reels x 1AD-R650K,GHeadRecording,playback head:DX com-AC240V,50/60Hbination head×1AD-R650 U.CAC120V,50/60HkErase head:Double gap ferrite lighthead x 2AD-R650HInputsLINE IN maximum inputAC 120 V/220 V/240 V switchable,sensitivity:50 mV (over 50 kn)50/60HzOutputsLINE OUT standard output level:Power0.38V (0 VU):suitable loadconsumption20Wimpedance:over 50 k n:FrequencyHeadphones:8nresponseMETAL tape:20-19.000HzDimensions420W0×116(H)×300(D)mmCrO,position tape:20-18,000 HzWeight5.0kgNORMAL tape:20-17.000HzAccessoriesStereo pin cord (2)Signal-to-noiseratio73 dB (METAL tape DOLBY C NRDesign and specifications are subject to change withoutON)notice,Wow and flutterAccording to DIN 45 500 0.1%Noise reduction and headroom extension manufactured0.035%WRMS)under license from Dolby Laboratories Licensing Corporation.HX Professional originated by Bang and Olufsen.."Dolby"and the double-D symbol are trademarks of DolbyLaboratories Licensing Corporation.
请登录后查看评论内容