

第1页 / 共22页

第2页 / 共22页

第3页 / 共22页

第4页 / 共22页

第5页 / 共22页

第6页 / 共22页

第7页 / 共22页

第8页 / 共22页
试读已结束,还剩14页,您可下载完整版后进行离线阅读
THE END
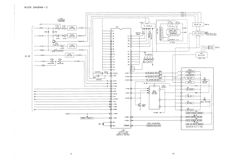
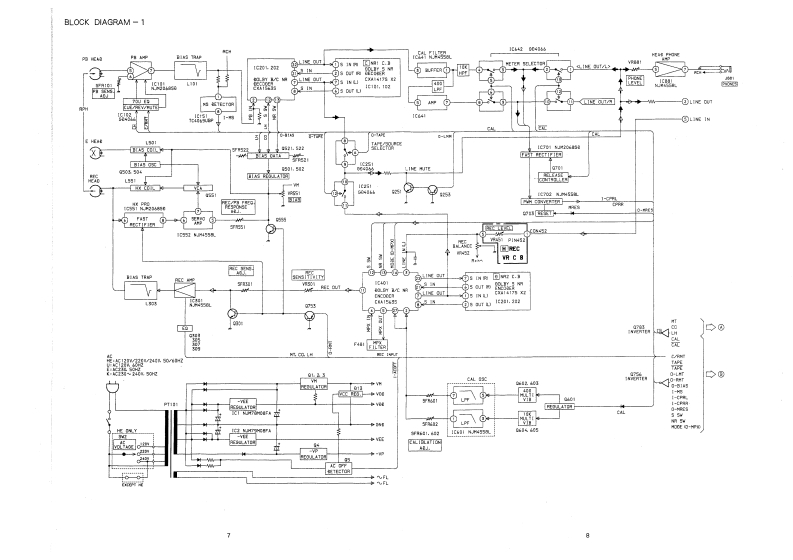
aiwaSERVICEAD-S95000000STEREO CASSETTE DECKBASIC TAPE MECHANISM:a 12 R5N°TYPE.HE,U,E,K改定版REVISIONPUBLISHINGSPECIFICATIONSTypeStereo cassette deckHeadsPlayback head x 1 (PC-CCC cailTrack format4 tracks,2 channelssuper DX head)Power supplyAD-S950 URecording head x 1 (PC-OCC coilAC120V.60Hsuper DX head)AD-S950 EErase head x 1 (Double-gaDAC230V.50Hsendust head)AD-S950 KInputsREC/LINE IN:100 mV (MAXAC230-240V.50Hzinput sensitivity.47 k)AD-S950 HEOutputsPLAY/LINE OUT 350 mVAC 120/220/240 V switchable.(0d)50/60HSuitable load impedance overPower consumptlon25W47k9Frequency responseMetal tape 15-21.000 HzPHONES 1.1 mW (0 dB)CrO2 tape 15-19,000 HzSuitable load impedanee 32QNormal tape 15-18,000 HaDImenslons4300W0X140(H)×318(D)HOIANISSIgnal-to-nolse-ratio 84 dB (DOLBY S NR ON.mmMETAL tape Peak Level)(17×55/a×12s/8 inche5)Wow and ffutter0.035%(WRMS)Welght5 kg (11 Ibs)0,1%(DN45500)Tape speed4.75cm/5ec.(17/sips).Design and specifications are subject to change withoutRecording systemAC bias (frequency 105 kHz)noticeErase systomAC eraseMotorDC50 rvometor×1.Dolby noise reduction and HX Pro headroom extensionDC motor×1manufactured under license from Dolby LaboratoriesLicensing Corporation.HX Pro originated by BangOlufsen.DOLBY.the double-D symbol D and "HX PRO"aretrademarks of Dolby Laboratories Licensing CorporationLaboratories Licensing Corporation.S/M Code No.09-94B-077-60T
请登录后查看评论内容