

第1页 / 共13页

第2页 / 共13页

第3页 / 共13页

第4页 / 共13页

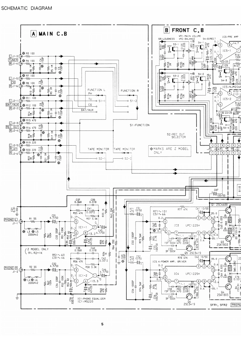
第5页 / 共13页

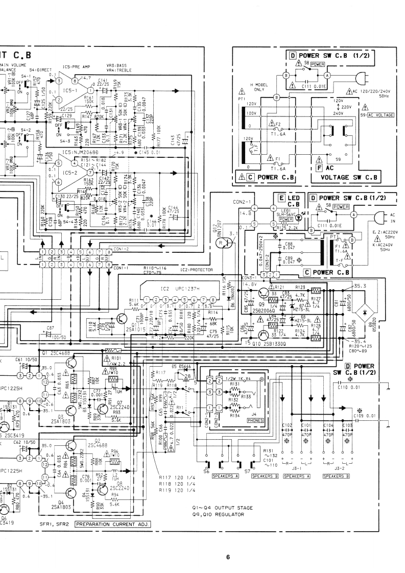
第6页 / 共13页

第7页 / 共13页

第8页 / 共13页
试读已结束,还剩5页,您可下载完整版后进行离线阅读
THE END
Scan byDaniel DollS/M Code No.91-110 DATE OF ISSUE 1/1992-IAIWA⑧XA-003SERVICEMANUALSTEREO INTEGRATED AMPLIFIER·TYPE.H,E,K,ZSPECIFICATIONSCommonPreamplifierPower requirementsS/N ratioIHF A curve shortXA-003HcircuitedAC120V220V240VPHONO (MM)88dBswitchable,50/60 Hz(5mV input)XA-003E,ZTUNER.CD.AUX.TAPE/DATAC 220 V,50 Hz105dBXA-003KInput jacksAC 240 V,50 Hz(Sensitivity/input impedance)Power consumptionPHONO (MM)XA-003H100W2.5 mV/47 kohmsXA-003E.K,Z260WTUNER,CD,AUX,TAPE/DAT150 mV/47 kohmsPHONO overload levelPower amplifier85 mV (MM)Effective output power[1kHzT.H.D0.01%53W+53WOutput jacks(4 ohms,T.H.D.0.9%,1 kHz)(Level/output impedance)40W+40WTAPE 150 mV/47 kohms(8 ohms,T.H.D.0.9%,1 kHz)Headphones 8-32 ohmsTotal harmonic distortionSpeakers 4-16 ohms0.02%(A+B:8-16 ohms)(20Hz-20kHz,30W,RIAA deviation +0.5 dB (30 Hz-15 kHz)8 ohms)Output bandwidthMaximum dimensions20 Hz-50 kHz430WM×128(H×332(D)mm(less than 0.07%)(17×5/×13/,inches)[Both channels driven,8 ohms]Weight6.3kg(13.86bFrequency response5H2-100kHz(+0.5/-3dBDesign and specifications are subject to change withoutnotice.AlWA Co..Ltd.Tokyo JapanPrinted in Japan
请登录后查看评论内容