八重洲Yaesu_VP-1000_user操作说明书手册-中文

八重洲Yaesu_VP-1000_user操作说明书手册-中文-找手册网
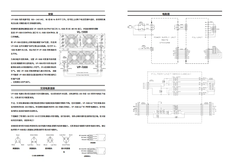
八重洲Yaesu_VP-1000_user操作说明书手册-中文
此内容为付费资源,请付费后查看
1921
付费资源

第1页 / 共2页

第2页 / 共2页
已完成全部阅读,共2
THE END
YAESU VP.1000交流电源适用于VL-1000线性放大器R10①0是一款专为V儿-1000域性胶大得设计的外想交离电源,可长时国设快商达48安编的经优直离电出色的圆节性第和稳就的设计确侵用户口侵在全功率M,AM织TY传神等重负薄应用中,也第享受多年无然德运行当时间出现高电卖离时,种嫩开关拉制的微热风曹☆白效偏动,持电源的安全工作爽系统为心0心授供了标督售明稀出功能,一口发生连流.注于数热片过病等情况,可公例发出督损以意免按备横坪。YAESU技术玫格】辅出电压:直离48V三,直离+12V=,直离-2V一辅出电离:直离48V三:2A交离0000以直离+48V.:48A交离200-2404-直离+12V.=:28A直离-12V.:01A辅入电压:AC00240,5080e电流有:5A交满00200V-习49283A交离20020V-EXAN DARD工作度用:-0C-50c抓箱尺寸:410x135x380毫米使x离x深)重量:148经斤¥AURE盘M.Raea线111821 Sc车4 The Hetedancs算裤请夏更想不另优高YAESU UK LTO据E到国阳的两动太布行确金国世单元《金性我文STAND ARD HK LTD铺和性香得九调再玉通修11号面中6渔质品星直表电的:T02109位为1应制电植:T101483(2为1
喜欢就支持一下吧
评论 抢沙发

请登录后发表评论

    请登录后查看评论内容