

第1页 / 共84页

第2页 / 共84页

第3页 / 共84页

第4页 / 共84页

第5页 / 共84页
试读已结束,还剩79页,您可下载完整版后进行离线阅读
THE END
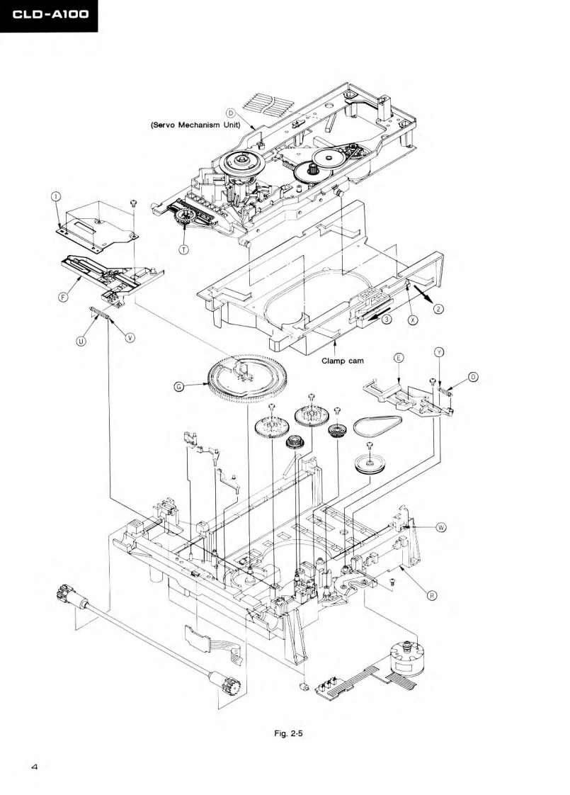
PIONEERThe Art of EntertainmentServicecManualORDER NO.ARP2757CD CDV LD PLAYERGL▣-A1OOCLD-A100 HAS THE FOLLOWING:TypePower RequirementRemarksKUAC 120 V onlyThis manual is applicable to CLD-A100/KU.CONTENTS1.SAFETY INFORMATION…22.DISASSEMBLY…33.EXPLODED VIEWS AND PARTS LIST84.PACKING AND PARTS LIST...195.SCHEMATIC AND PCB CONNECTION DIAGRAMS ..206.PCB PARTS LIST4…677.ADJUSTMENTS…748.SYSTEM CONTROL DESCRIPTION879.IC INFORMATION…10510.BLOCK DIAGRAM…11111.PANEL FACILITIES.11312.SPECIFICATIONS......115PIONEER ELECTRONIC CORPORATION 4-1,Meguro 1-Chome.Meguro-ku.Tokyo 153.JapanPIONEER ELECTRONICS SERVICE INC.P.O.Box 1760,Long Beach,Calitornia 90801 U.S.A.PIONEER ELECTRONICS OF CANADA,INC.300 Allstate Parkway Markham.Ontaro L3R OP2 CanadaPIONEER ELECTRONIC [EUROPE]N.V.Haven 1087 Keetberglaan 1.9120 Melsele.BelgiumPIONEER ELECTRONICS AUSTRALIA PTY.LTD.178-184 Boundary Road,Braeside,Victoria 3195.Australia TEL:[03]580-9911PIONEER ELECTRONIC CORPORATION 1993FJ JULY 1993 Printed in Japan
请登录后查看评论内容