

第1页 / 共121页

第2页 / 共121页

第3页 / 共121页

第4页 / 共121页

第5页 / 共121页

第6页 / 共121页

第7页 / 共121页

第8页 / 共121页

第9页 / 共121页

第10页 / 共121页
试读已结束,还剩111页,您可下载完整版后进行离线阅读
THE END
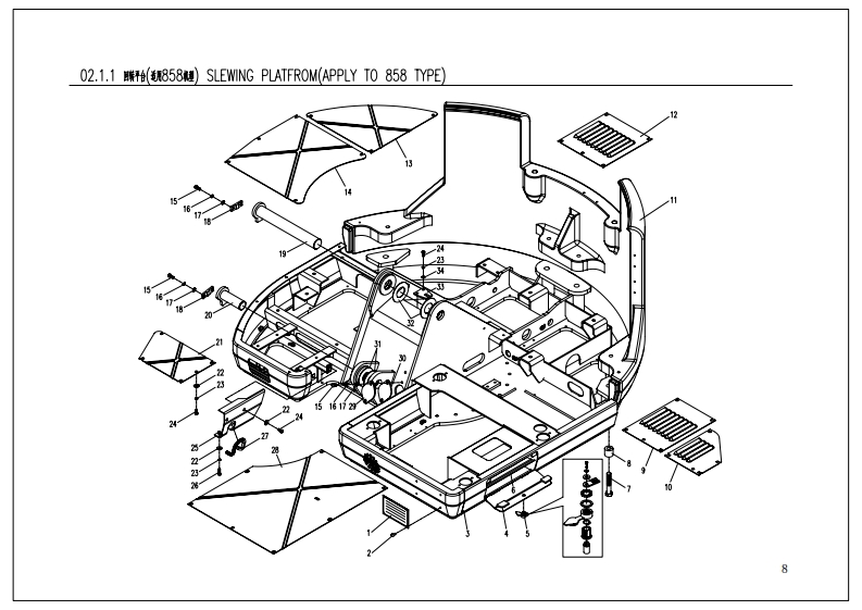
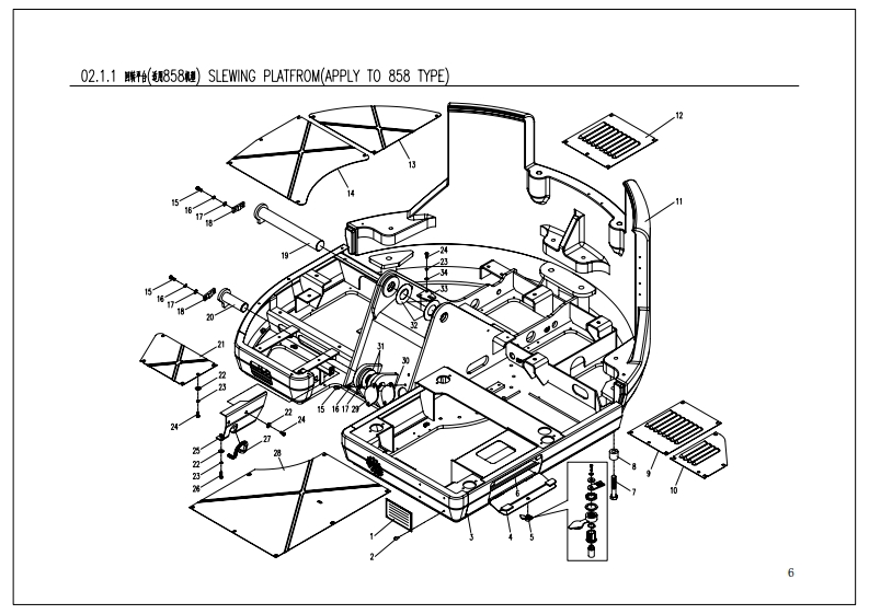
858目录(858NDEX)01.1.1底盘总成适用85机型)CHASSIS ASSEMBLY (APPLY TO 858 TYPE)..........02.1.1回转平台(适用85机型)SLEWING PLATFORM (APPLY TO 858TYPE)..…503.1.1推土装置适用85机型)DOZER EQUIPMENT (APPLY TO 858 TYPE).......04.1.1工作装置1(适用85机型)WORKING EQUIPMENT 1 (APPLY TO 858 TYPE)-04.2.1工作装置2(适用85机型)WORKING EQUIPMENT2(APPLY TO858TYPE)………l304.3.1工作装置3(适用85机型)WORKING EQUIPMENT 3 (APPLY TO 858 TYPE)-.....1504.4.1工作装置4(适用85机型)WORKING EQUIPMENT4(APPLY TO858TYPE)……………………………l704.5.1工作装置5(适用85机型)WORKING EQUIPMENT 5 (APPLY TO 858 TYPE)..........05.1.1平台部分液压系统1(适用85机型)HYDRAULICSYSTEM FOR PLATPORM I(APPLY TO858TYPE)-………2I05.2.1平台部分液压系统2(适用85机型)HYDRAULIC SYSTEM FOR PLATFORM 2(APPLY TO 858 TYPE).....305.3.1平台部分液压系统3(适用85机型)HYDRAULIC SYSTEM FOR PLATFORM3(APPLY TO858TYPE)………-2505.4.1平台部分液压系统4(适用85机型)HYDRAULIC SYSTEM FOR PLATFORM 4 (APPLY TO 858 TYPE).........205.5.1平台部分液压系统5(适用85机型)HYDRAULIC SYSTEM FOR PLATFORM 5(APPLY TO 858 TYPE).2905.6.1平台部分液压系统6(适用85机型)HYDRAULIC SYSTEM FOR PLATFORM6(APPLY TO858TYPE)………….3I05.7.1平台部分液压系统7(适用85机型)HYDRAULIC SYSTEM FOR PLATFORM 7(APPLY TO 858 TYPE)337乃.1.1底盘部分液压系统1(适用85机型)HYDRAULIC SYSTEM FOR CHASSIS1(APPLY TO858TYPE)………357乃.2.1底盘部分液压系统2(适用85机型)HYDRAULIC SYSTEM FOR CHASSIS 2 (APPLY TO 858TYPE)...3785.1.1先导部吩液压系统1(适用85凯型)HYDRAULIC SYSTEM FOR PILOT PART 1 (APPLY TO 858 TYPE).................3985.2.1先导部分液压系统2(适用85凯型)HYDRAULIC SYSTEM FOR PILOT PART 2 (APPLY TO 858 TYPE).......4385.3.1先导部分液压系统3(适用85凯型)HYDRAULIC SYSTEM FOR PILOT PART3(APPLY TO858TYPE)-……….4795.1.1工作装置的液压系统1(适用85机型)HYDRAULIC SYSTEM FOR WORKING EQUIPMENT 1 (APPLY TO 858 TYPE)...........5195.2.1工作装置的液压系统2(适用85机型)HYDRAULIC SYSTEM FOR WORKING EQUIPMENT 2 (APPLY TO 858 TYPE).......-5306.1.1操纵机构1(适用85机型)CONTROL FRAMEWORK1(APPLY TO858TYPE)……………5506.1.2操纵机构2(适用85机型)CONTROL FRAMEWORK2(APPLY TO858TYPE)…………5g07.1.1驾驶室组件1(适用858机型)CAB SUBASSEMBLY I(APPLYTO858 TYPE)...........6307.2.1驾驶室组件2(适用858机型)CAB SUBASSEMBLY 2(APPLY TO 858 TYPEY67
请登录后查看评论内容