

第1页 / 共61页

第2页 / 共61页

第3页 / 共61页

第4页 / 共61页

第5页 / 共61页

第6页 / 共61页

第7页 / 共61页

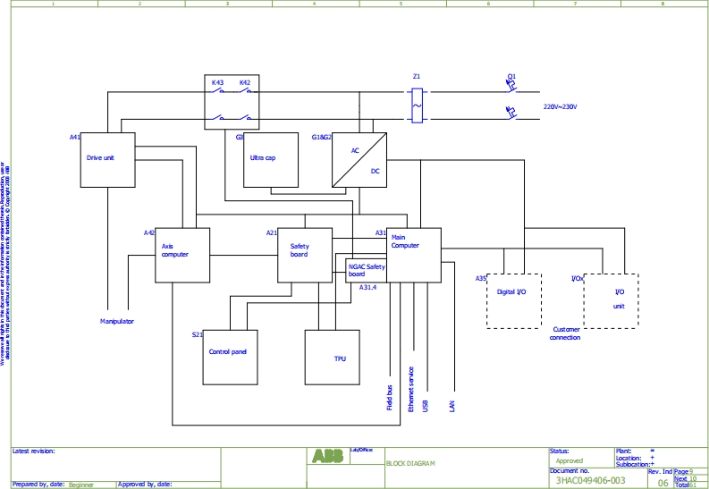
第8页 / 共61页

第9页 / 共61页

第10页 / 共61页
试读已结束,还剩51页,您可下载完整版后进行离线阅读
THE END
The infommation in this document is subject to change without notice and should not be construed as acommitment by ABB.ABB assumes no responsibility for any errors that may appear in this document.Except as may be expressly stated anywhere in this document,nothing herein shall be construed as anykind of guarantee or warranty by ABB for losses,damages to persons or property,fitness for aspedfic purpose or the like.In no event shall ABB be liable for incidental or consequential damages arising from use of this document.This docment and parts thereof must not be reproduced or copied without ABB's written permission,and contents therof must not be imparted to a third party nor be used for any unauthorized purpose.Contravention will be prosecuted.Additional copies of this document may be obtained from ABB at its then current charge.Copyright 2016 ABB ALL right reserved.ABB Engineering (Shanghai)No.4528,Kangxin Highway,Kangqiao TownNanhui District,Shanghai,201319P.R.China3ee名0nT:tCOPYRIGHTApprovedCocument no.Rev.Ind Page 1Prepared by,dsve:Beginner Approved by,dste:3HAC049406-003068
请登录后查看评论内容