Korg-EM1-service-manual维修操作说明书手册

Korg-EM1-service-manual维修操作说明书手册-找手册网
Korg-EM1-service-manual维修操作说明书手册
此内容为付费资源,请付费后查看
2931
付费资源

第1页 / 共14页

第2页 / 共14页

第3页 / 共14页

第4页 / 共14页

第5页 / 共14页

第6页 / 共14页

第7页 / 共14页

第8页 / 共14页

第9页 / 共14页

第10页 / 共14页
试读已结束,还剩4页,您可下载完整版后进行离线阅读
THE END
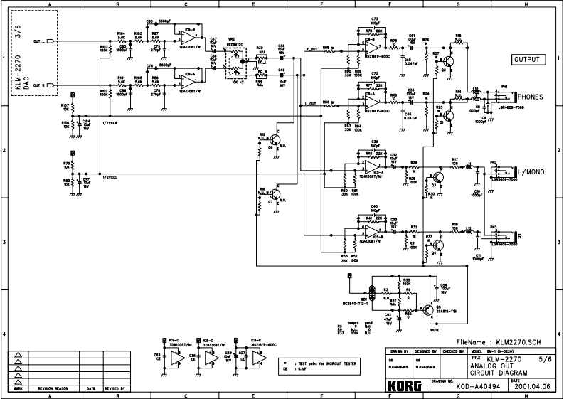
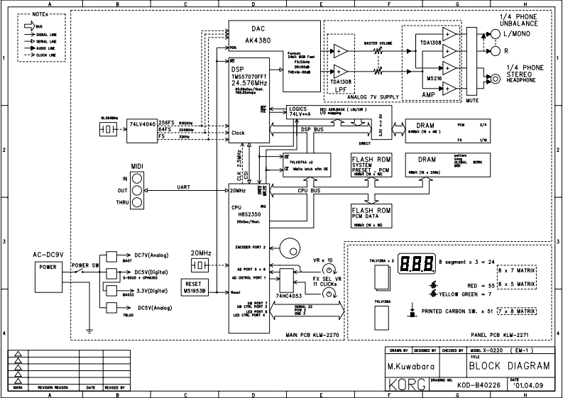
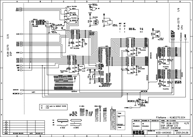
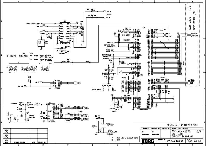
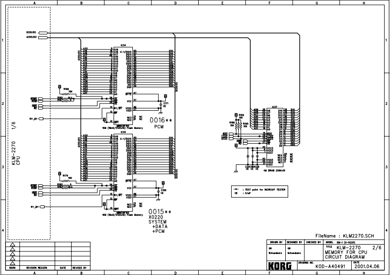
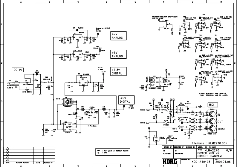
Service ManualEM-1CONTENTS1)Structural Diagram··-2)Block Diagram····-3)Circuit Diagram·-·····-4)Diagnostics·······5)Parts List-···········Revision:1.00Issued date:June 27th,2001Issued by:KORG INC.
喜欢就支持一下吧
评论 抢沙发

请登录后发表评论

    请登录后查看评论内容