Korg-EMX1-service-manual维修操作说明书手册

Korg-EMX1-service-manual维修操作说明书手册-找手册网
Korg-EMX1-service-manual维修操作说明书手册
此内容为付费资源,请付费后查看
2931
付费资源

第1页 / 共24页

第2页 / 共24页

第3页 / 共24页

第4页 / 共24页

第5页 / 共24页

第6页 / 共24页

第7页 / 共24页

第8页 / 共24页

第9页 / 共24页

第10页 / 共24页
试读已结束,还剩14页,您可下载完整版后进行离线阅读
THE END
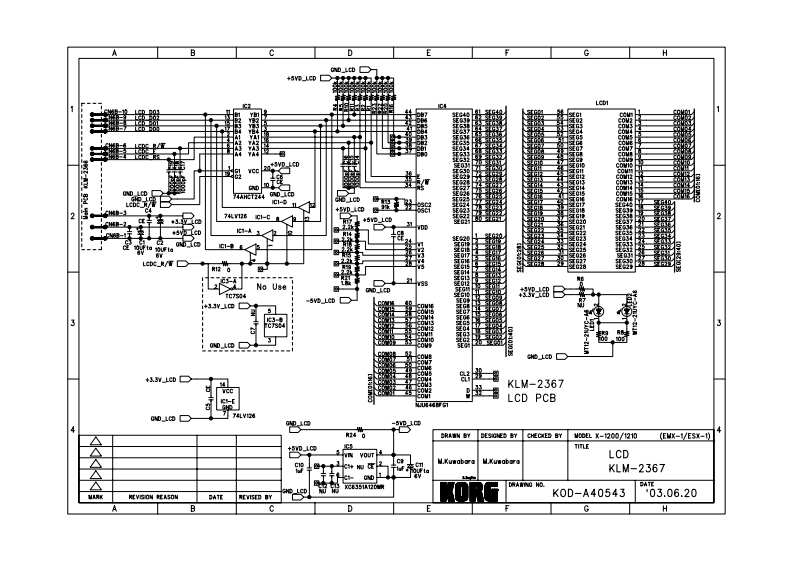
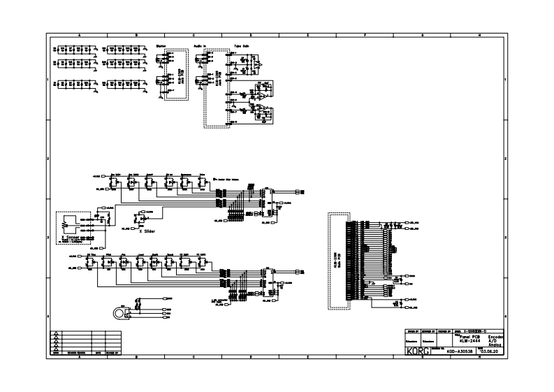
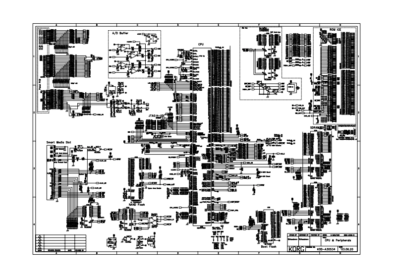
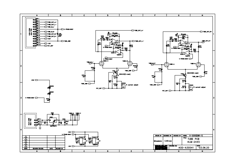
Seryice ManualEMXICONTENTSCircuit Diagram:Page 2-10Block Diagram:Page 11Structural Diagram:Page 12Test Mode:Page 13-19Calibration:Page 20-21Parts List:Page:22-244th EditionIssued date:July 15,2004Issued by:KORG INC.
喜欢就支持一下吧
评论 抢沙发

请登录后发表评论

    请登录后查看评论内容