

第1页 / 共27页

第2页 / 共27页

第3页 / 共27页

第4页 / 共27页

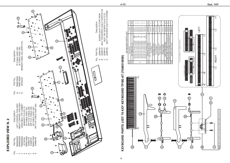
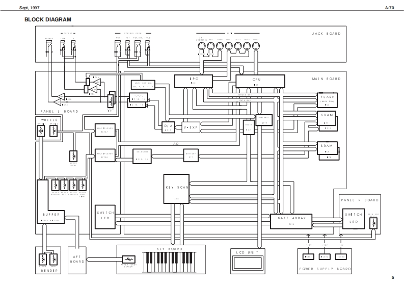
第5页 / 共27页

第6页 / 共27页

第7页 / 共27页

第8页 / 共27页

第9页 / 共27页

第10页 / 共27页
试读已结束,还剩17页,您可下载完整版后进行离线阅读
THE END
S4,1997A-70A-7▣SERVICE NOTESSPECIFICATIONSA-TorA-To:Exp andable con trolleeFirst EditionA-花ound Section [V-eE×PANN▣A日LEC▣NTAOLLEIssued by RES-Sound densrator-PartsPolypharyTABLE OF CONTENTSPageSPECIFICATIONS-Pt量oyPaterd:1撞DISASSEMBLYA-TtrA-Tx co mmonLOCATION OF CONTROLS&REAR VIEW2”K与e园EXPLODED VIEW N.1EXPLODED VIEW N24-letemnal量oyKEYBOARD PARTS LISTBLOCK DIAGRAM多MAIN PCB ASSY1BiaplayCIRCUIT DIAGRAM (MAIN PCB ASSY)PRIMARY PCB ASSY CIRCUIT DIAGRAMLEFT CONTROL PCB ASSYCIRCUIT DIAGRAM (LEFT CONTROL PCB ASSY)9Swixh Jacia:tAFT PCB ASSY CIRCUIT DIAGRAM10RIGHT OONTROL PCB ASSY10CIRCUIT DIAGRAM (RIGHT CONTROL PCB ASSY)1POWER PCB ASSY CIRCUIT DIAGRAMPome mtonMIDI PCB ASSY12CIRCUIT DIAGRAM (MIDI PCB ASSY)13RIGHT CONTACT PCB ASSY WRUBBER CONTACT ORCUIT DIAGRAM14LEFT CONTACT PCB ASSY WRUBBER CONTACT CIRCUIT DIAGRAM14TEST MODE1520PARTS UST2021TRANSLATON FROM ENGLISH INTO JAPANESE2227·Cp地mMorge cabletgC-1iainoe4 o acand起销cdra:据DISASSEMBLYA-70SEL TAR:SCREW 35x16 TCTCPRDZ J209131oRolandSN00018K6018299Primted in Italy (AF00)(AD)1Copyright 1997 by ROLAND CORPORATION
请登录后查看评论内容