korg_sp-250_ServiceManual维修手册含电器原理图

korg_sp-250_ServiceManual维修手册含电器原理图-找手册网
korg_sp-250_ServiceManual维修手册含电器原理图
此内容为付费资源,请付费后查看
2931
付费资源

第1页 / 共34页

第2页 / 共34页

第3页 / 共34页

第4页 / 共34页

第5页 / 共34页

第6页 / 共34页

第7页 / 共34页

第8页 / 共34页

第9页 / 共34页

第10页 / 共34页
试读已结束,还剩24页,您可下载完整版后进行离线阅读
THE END
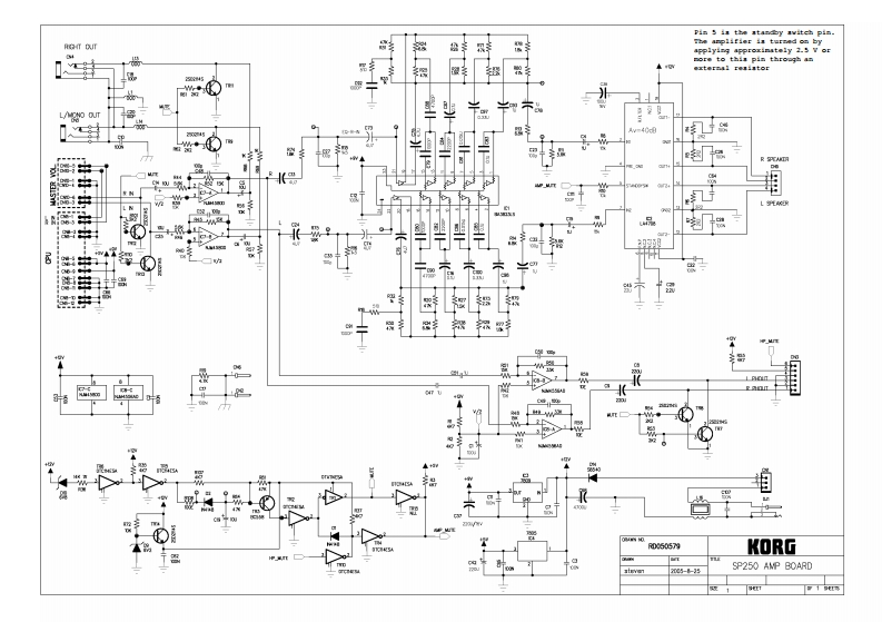
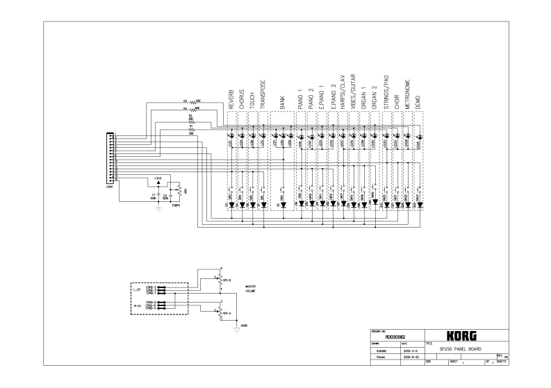
Service ManualSP-250CONTENTS1)Circuit Diagrams Page 2-62)DisassemblyPage 7-203)Test Mode:Page21-294)Parts List:Page30-341st EditionIssued date:March 30,2006Issued by:KORG INC.
喜欢就支持一下吧
评论 抢沙发

请登录后发表评论

    请登录后查看评论内容