

第1页 / 共25页

第2页 / 共25页

第3页 / 共25页

第4页 / 共25页

第5页 / 共25页

第6页 / 共25页

第7页 / 共25页

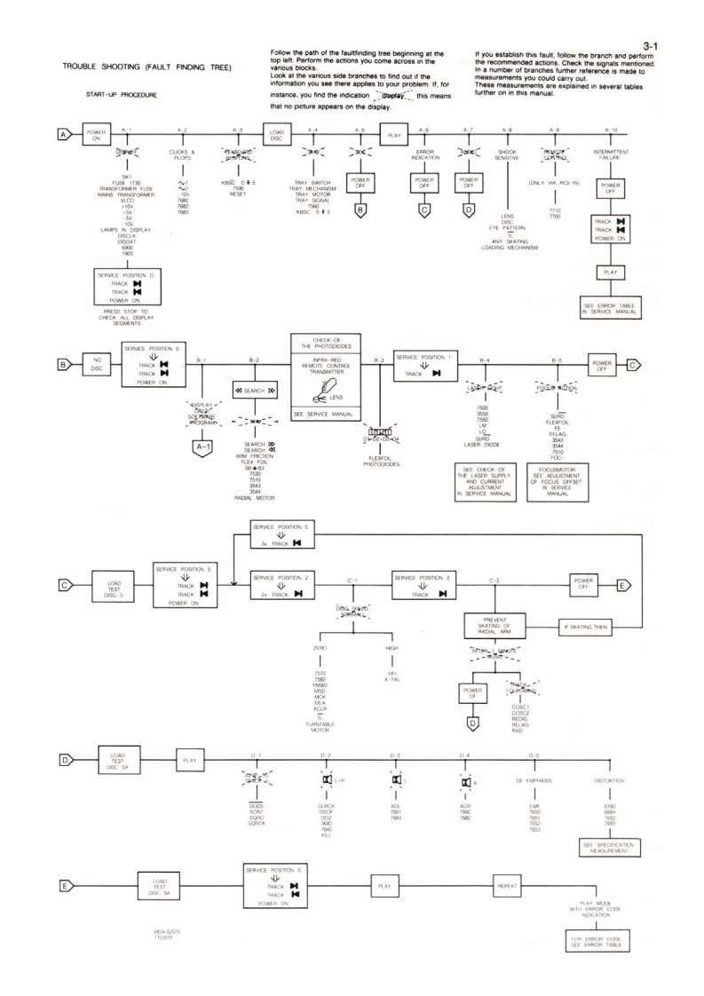
第8页 / 共25页

第9页 / 共25页

第10页 / 共25页
试读已结束,还剩15页,您可下载完整版后进行离线阅读
THE END
Compact disc player CD230Service00B/05B/10G/40B/45BServiceService45261A1Service ManualCONTENTSds时DIGITAL AUDIO1 Control buttons and connections2 Technical data Servicing hints and toolsDisassembly hints,Exploded view.Mechanical partslist3 Faultfinding procedure.Error codes.Block diagramMain panel info4 Display panel info,Wiring diagram5 Partslist6 ModificationsGB0Safety regulations require that the set be restored to its originalBei jeder Reparatur sind die geltenden Sicherheitsvorschriften zucondition and that parts which are identical with those specified bebeachten.Der Originalzustand des Gerats dart nicht verandert werdenused.fur Reparaturen sind Original-Ersatzteile zu verwenden.m1Veiligheidsbepalingen vereisen,dat het apparaat in zijn oorspronkelijkeLe norme di sicurezza esigono che 'apparecchio venga rimesso nelletoestand wordt teruggebracht en dat onderdelen.identiek aan decondizioni originali e che siano utilizzati pezzi di ricambiago identici agespecificeerde worden toegepast.quelli specificati.FLes normes de securite exigent que l'appareil soit remis a l'etat d'origineet que soient utilisees les pieces de rechange identiques a cellesSF Varo!Avattaessa ja suojalukitus ohitettaessa olet alttiina nakymattomallelasersateilylle.Ala katso sateeseen.S Varning!Osynlig laserstraining nar denna del ar oppnad och sparren ar urkopplad.CLASS 1LASER PRODUCT性0a40Documentation Technique Service Dokumentation Documentazione di Servizio Huolte-Ohge Manual de Servicio Manual de ServicioSubject to modification482272522667PHILIPSon pannPrinted in The NetherlandsCopvright reserved
请登录后查看评论内容