

第1页 / 共15页

第2页 / 共15页

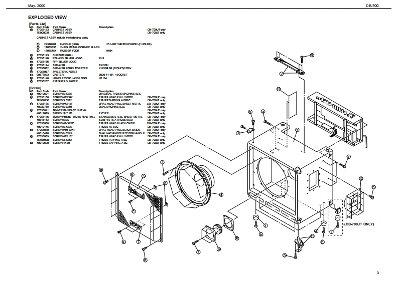
第3页 / 共15页

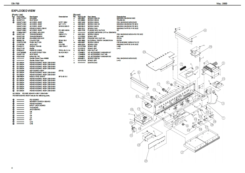
第4页 / 共15页

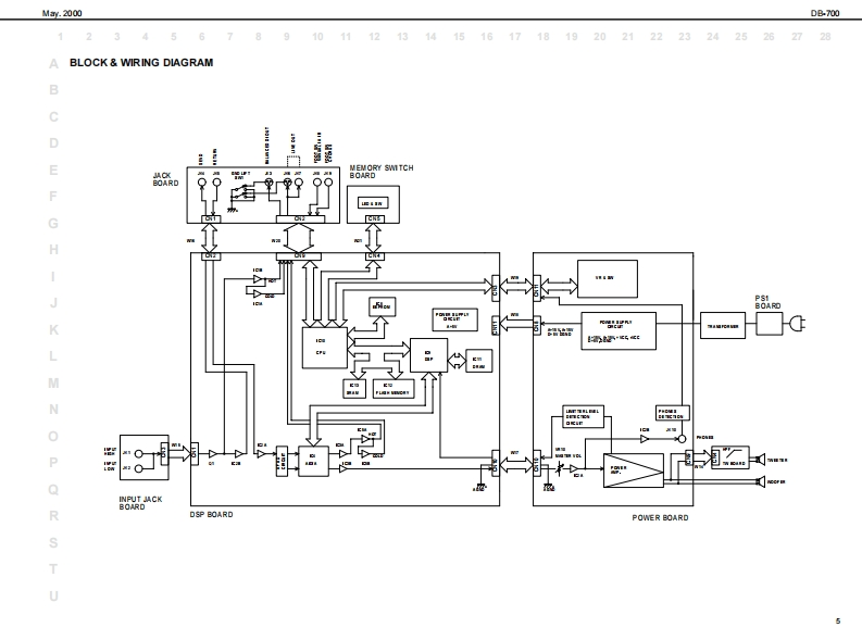
第5页 / 共15页

第6页 / 共15页

第7页 / 共15页

第8页 / 共15页

第9页 / 共15页

第10页 / 共15页
试读已结束,还剩5页,您可下载完整版后进行离线阅读
THE END
Ma.2000DB700▣B-Z▣▣UT/JT SERVICE NOTESSPECIFICATIONS:Rated PoerO年d250W口日ASS AMPLIFIERFirst Edition:Nc童alinpu LevlIssued by R.JANPLT HCH:-30 domn M ohmsRPUT LOW匹RTRETUANDite nt point betaPALANOONA:44d组mthe DB-700UT and DB-700JT至RTSED:+4dmPe肠erefer to the following形LNE OLT OLRY:44dmLNE OLT (PHOPE):440m1.Nameplate40am05T4Plase comfim the Nameplate (Rear side of DB-700u10TABEL OF CONTENTSPageAa2wce◆SPECIFICATONS_C电LOCATION OF CONTROLS.EIPLODEDVEW3-4日OCK DAG究MPARTSLIST6-7,C0P属ON Knob9UPE SvichTEST MODE_POULIZERDC OFFSET AOJUSTMENTNOTES ININSTALLING THE DSP BOARD10CIROUIT DIAGRAM BOARD_11-15TTrnth.n·压aenPOER在动C0LT寸RNECTPOWERFOOT SMITCHJadnP:A RNGMNUA,COL海Vor MOVW(OV)407x06n16间xn606nd576x407码x006m2243166x16-16间x2公-1n606nd(not indude cata)w始g5aEncin(0251230Cur000692线Copyright 2000 ROLAND CORPORATIONOhF0Al right reserved.No part of this publcation may be reproduced in any fom without the wrten pemisson dhn2c世aO.AND CORPOR可ONRoland17059024Primed in Japan (AA0O)(HK)1
请登录后查看评论内容