

第1页 / 共18页

第2页 / 共18页

第3页 / 共18页

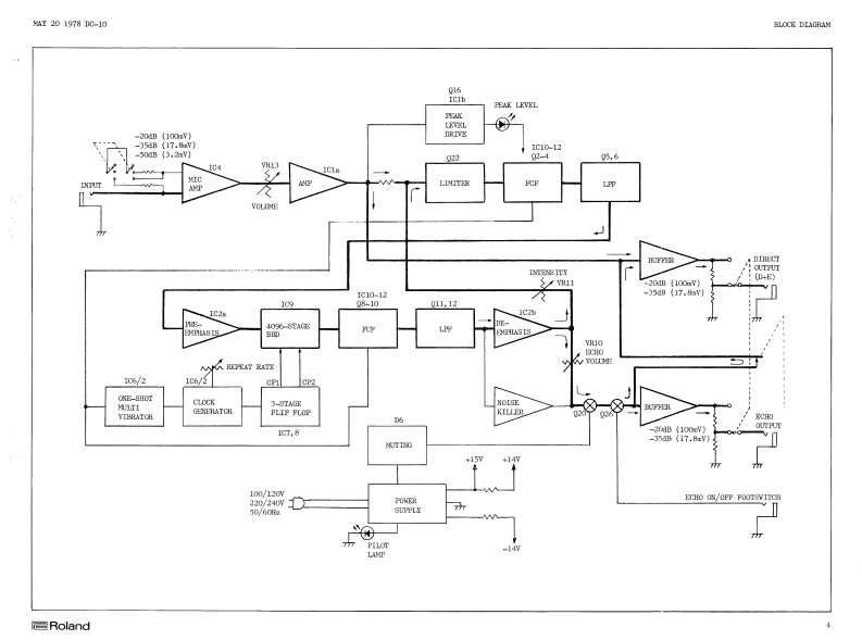
第4页 / 共18页

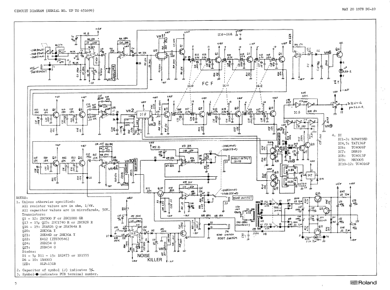
第5页 / 共18页

第6页 / 共18页

第7页 / 共18页

第8页 / 共18页

第9页 / 共18页

第10页 / 共18页
试读已结束,还剩8页,您可下载完整版后进行离线阅读
THE END
MAY201978DC-10ANALOG ECHODC-1oCON T E NT SSPECIFICATIONS...·····DISASSEMBLY ............................1CIRCUIT DESCR1 PTION,,,,,·,···.········,2-3BL0 CK DIAGHAM·4CIRCUIT DIAGRAM(SERIAL N0.UPT0651699),...,..·....,.···5PCB ET-20A(SERIAL N0.UPT0651699)·.,..··6CIRCUIT DIAGRAM(SERIAL N0.6517O0 AND HIGHER)......·......·.,...·7PCBE-20B(SERIAL NO.692450 AND HIGHE)·...·...........·8-9FCB-20B(SERIAL N0.651700-682499)...........·10ADJUSTMENT..,,。,,。,。11-13PARTS ILLUSTHATED..·.·.,,··.·*…14-15PARTS LIST ......................Roland
请登录后查看评论内容