罗兰Roland-FC-100-Foot-Controller-Service-Manual维修服务手册说明书含电器原理图

罗兰Roland-FC-100-Foot-Controller-Service-Manual维修服务手册说明书含电器原理图-找手册网
罗兰Roland-FC-100-Foot-Controller-Service-Manual维修服务手册说明书含电器原理图
此内容为付费资源,请付费后查看
2831
付费资源

第1页 / 共4页

第2页 / 共4页

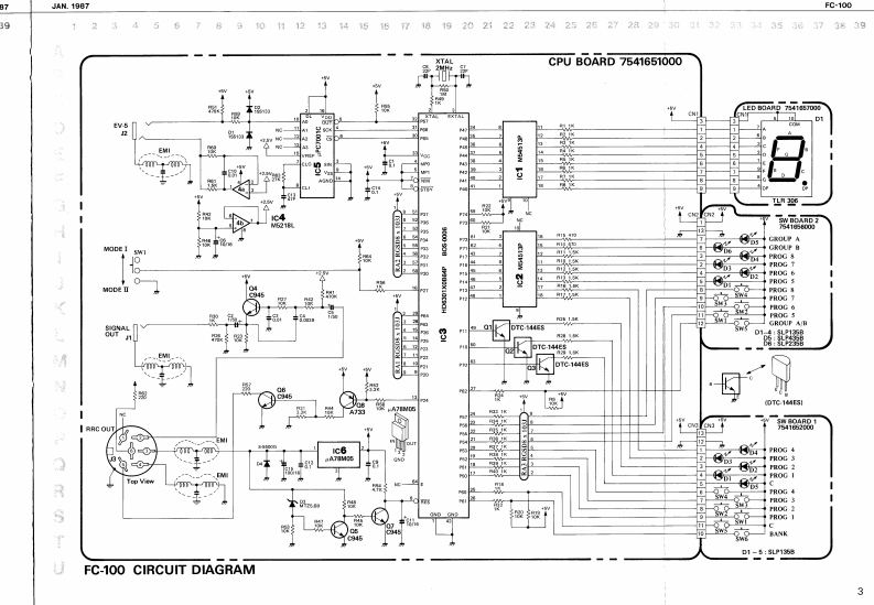
第3页 / 共4页

第4页 / 共4页
已完成全部阅读,共4
THE END
AM.1987FC-100FC-100SERVICE NOTESFirst Editionae45"G日TGmI53XGmm nt Fe C1BGISpea aalSPECIFICATIONSHatom Caear2262的3的00Power Suppleunt via RAC cabe 7.5V 1o 20V DCCurtent Draw....一i4a4u102mAd十W0CFG0m2735031200Tune Signl out L00的m000…cre shan t0Intemal Tooth Washer3=2年cExpreesign Fedal JackDiaroior-....…493WIX60H00X100D0■19-wIX1-HX7-Dn.24则:5e500rAg0453y一i44 IID11N1inn月FCC-3t情L=T5nLED 8LP-135B rod-t500917150292335Mh[5D43281315055kHL小0520-01-101344925J3rkHL小-0520-0101013442128LED Co22JTC863G0-0-1111342960Viow from bottom2240568002202031380PARTS LISTCASING22☒15800151Tm25D-63018iPB0G-008eU403015219150MPCT001CA conwort了2029国1519明1gD3-termin2Z苏0g120015191%28L.0oT和2218060500Switch Pedal1514912ATraraistor array2703720221201000Support Sprint22价80Switch FanelTRANSISTOR2272012108220aSwitch Panel202221079000Switch Panel1511910528753P22107910Switch Panel408w1chP222107800151291028C95Seien FON222109200图5w1hr222107a00wih为el5724974DTC144ESCgiu tronsistorxcBe22108G360022210T9300Switd Panel(61Seich SKHCAA107Ad81ehPa2221079000222l094001312971522105Switch Panel(802217010300581 h Ponel222107B20022210790DIOOE2100Swltch Panel8hPn222107940050022210T900Switch Pane】15019209T008时hPanel22213T630A191218133R8力Pn22210790015019905M假-5,60Zarer8a时ch Pane22z10T97c0029双2-13万B时-23万BLED8hPn2220798801502232treen22S1.P-435RYel low1502944430%781DRolandPrind in JapanB3-21
喜欢就支持一下吧
评论 抢沙发

请登录后发表评论

    请登录后查看评论内容