

第1页 / 共23页

第2页 / 共23页

第3页 / 共23页

第4页 / 共23页

第5页 / 共23页

第6页 / 共23页

第7页 / 共23页

第8页 / 共23页

第9页 / 共23页

第10页 / 共23页
试读已结束,还剩13页,您可下载完整版后进行离线阅读
THE END
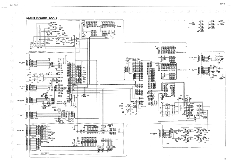
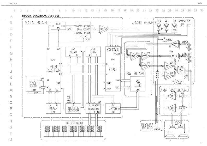
Jun 101FP-8FP-8SERVICE NOTESSPECIFICATIONS/仕樣ADVANCED SA SYNTHESIS DIGITAL PIANOFirst EditionOEITEGARD.--TABLE OF CONTENTS目次PageOOTAL EFRICTSPECIFICATIONS...HOW TO PUT ON THE MUSIC STAND三1=艺与夕▣又夕下0取以付付方…1LOCATION OF CONTROLS .-.--.-军辛儿配图同一2EXPL0 DED VIEW-…分同4444444i4444…2,314w009州n经》404gKEV阳0 ARD PARTS L5T-…键擅/一☑明入卜…5川5 ASSEMBLY----…=…分手顺444444144…一与,6BLOCK DIAGRAMBOPA C415-J06 1AWB0A明D--…MAIN BOARD=-一B,9融k式立了ASWITCH BOARDSWITCH BOARD........10.11JACK 80ARDJACK BOARD12.13APfS目0A明D…一MppS00A0=--1415E-4ExremicePCB24pL0W-------PCa24PL0W-44444--16,17PCB24PM1D1111111=111m11111111PCB 24P MIDtmi-l6,17PCB24PH‖=======824pH=-1617LOADING THE FACTORY PRESET.........77夕卜一·ブ刂七y卜的口一方法……18-18,10HOW TO PUT ON THE MUSIC STAND/32-?夕·ZD取W付H方ADJUSTMENT SPECIFICATIONS-CA MSB ADJUSTMENT"质型仕样D/AM3B时望”-120TROUBLESHOOTING.分儿92-子1之ym-20CDATA..-21,22KEYB0AR0 STAND FPS-80PTI0W1mm:年=求-下·X夕之下FP5-8(才才a】a-23(Align hookes with sorew holesRoland包Insert andtpen5 crewsRoland1705960gPrinted in Japan (AH00)ICR)
请登录后查看评论内容