

第1页 / 共22页

第2页 / 共22页

第3页 / 共22页

第4页 / 共22页

第5页 / 共22页

第6页 / 共22页

第7页 / 共22页

第8页 / 共22页

第9页 / 共22页

第10页 / 共22页
试读已结束,还剩12页,您可下载完整版后进行离线阅读
THE END
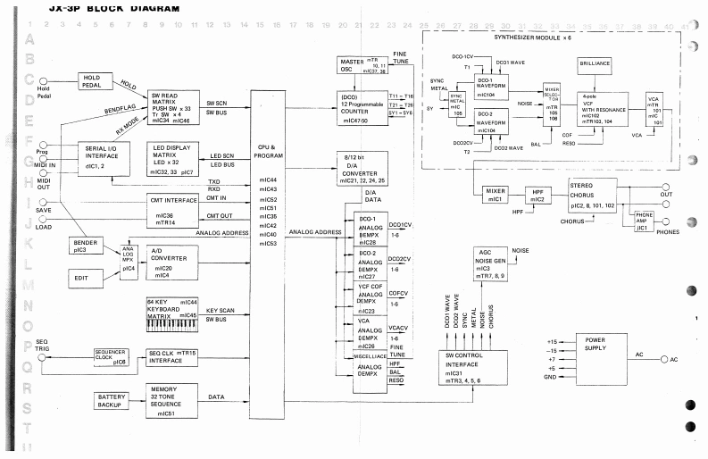
JX-3P(PG-200)SERVICE NOTESKey Transpone battonIFat Section 00-31First Edition⑦4 e button11 Grovo A buttonSPECIFICATIONSJX-3PPC-200Keybcard:Dimtniisrs①PITCH BENDESequetce Sect a在=日们G1 key,5 octovet.C acale24间1724g1-3404mmPawer corounption:-5w×8-14001x1-14Ha,正T utton20WRest bunonDmenatE14原3b年92,12W0×3250110mTSeartiSop butlon37-7BWt21W10D)x年-120nTape Manary buttonw时htB.B kg.21 1.B o.JX-3PX-EPSide punl L/R set 1066H031)Muie rack stopper 1022H017A)IITTTTTTTTTTTTT572H14元5N340260nup(5)Volue knebEDIT MAP②Ba=d好Ranpu witth(O8 ender P阳.7232月150msd海mihh8580239F料4131532n.Knab1eH11转P动witch8P0000F(1312032n,Batn18H0四4,L[0GL9HD2I1502147升④8山ot,5a018F438t5100k8I1338044线,Knsb1013H11WNecary pet FWJEJAP20314 10kB x2 (13219758,Knob ID16H11212g1@.日91a40闭1s00kB413338421l.K0%018H113S#01.318405A161A1过7.Kneo1H3PANEL BOARD (76127120000DIN BOARDKee0er5K-3G1FR761272000Bind /b72H1580(146H2161 (WO MIDI THRUI-FUSE BOARD-P0 wer 3wvitch1801-012141s141021SWITCH BORDD1wo1TG写630001111113429g71112215583014h4W0网7200301315211-D1w01TG8553001.1111134151812210308N340901同Sids panal hoidar LSidde punel helder R0344185864H18围理ΠMIDI SOCKETS88at比ee0tG2|1215910--Cabinet (MAIN B04F0712704002H05Pot.EVH-OTAST0814 104B 1132194011-4mt09H03741kHL0的16-01-1001134401221220240V022H052D)20010gkHL小010-01-0201344121l
请登录后查看评论内容