罗兰Roland-KC-100-Amplifier

罗兰Roland-KC-100-Amplifier-找手册网
罗兰Roland-KC-100-Amplifier
此内容为付费资源,请付费后查看
2831
付费资源

第1页 / 共8页

第2页 / 共8页

第3页 / 共8页

第4页 / 共8页

第5页 / 共8页

第6页 / 共8页

第7页 / 共8页

第8页 / 共8页
已完成全部阅读,共8
THE END
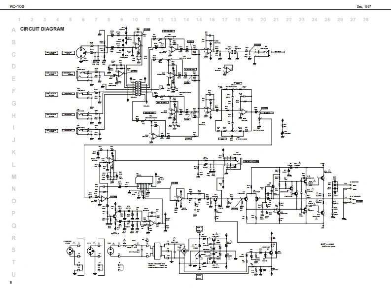
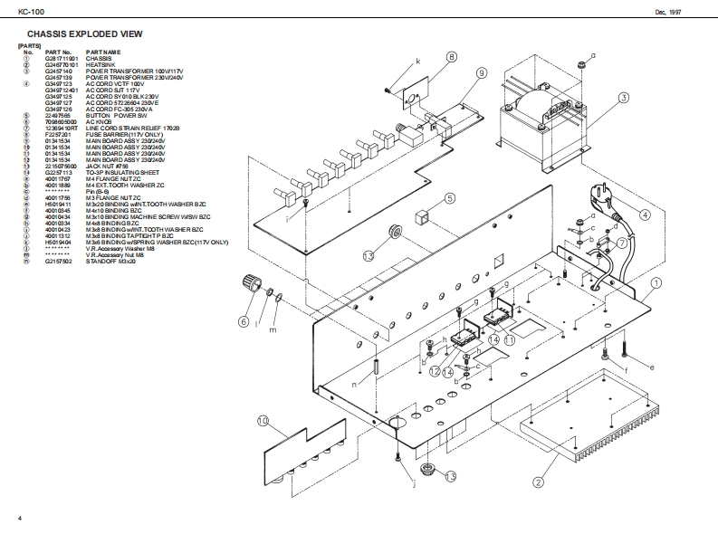
De第7KC-100KC-1▣▣SERVICE NOTESSPECIFICATIONSFirst EditionC-1004CH MIXING白ade情g0u标d:或加:808aKEYBOARD AMPLIFIERIssued by RJA⊙anm1且奥y的-50dBmthru -20dBmhatnd 1 Phone Ty作9:-50dBmthru -20dBm01md234-20dBmTABLE OF CONTENTSPageSPECIRCATIONSominal Output Level候比封LNEOUT:t创BmANEL LAY0UT============0Bm-0775mmCABINET EXPLODED VIEWCHASSIS EXPLODED VIEW..SpaikerARTS LIST============:30c间25x1卡wedtar x1CIRCUIT BOARDContrelCIRGUIT DIAGRAM:Chinnd 1 MICUNE Va山eChinnd 2LNE VdumdChnnd 3LNE VdueLOWTE致EMastur VOLUVEPOWER SwichCeanacteeChinnd 1 input达Chinnd 2 Input JackRolandChannd 3 Irput JackChinnd4 Input女HONE多hk:40W0Ct00d0W(AC 11TW230W20V)Dimemcaa47M230000mm1&8x03料0@g8-达80H动@w中:143g3油。:Gna生uM时(i00aCwner's Marua (apand轴)(I700的jCopyright 1997 by ROLAND CORPORATION生年地rndS线-1达从All rights reserved No part of this publication may be reprodaced in any fom withoutthe writan permission of年rCapS线Cp0H0i70i7)ROLAND CORPORATONn usng an S线-1以Apg址d,b的m的a轴aRoland 17059908Prnedn Jpan (CR)ADO 1
喜欢就支持一下吧
评论 抢沙发

请登录后发表评论

    请登录后查看评论内容