罗兰Roland-KC-100-Keyboard-Amp-Service-Manual维修服务手册说明书含电器原理图

罗兰Roland-KC-100-Keyboard-Amp-Service-Manual维修服务手册说明书含电器原理图-找手册网
罗兰Roland-KC-100-Keyboard-Amp-Service-Manual维修服务手册说明书含电器原理图
此内容为付费资源,请付费后查看
2831
付费资源

第1页 / 共8页

第2页 / 共8页

第3页 / 共8页

第4页 / 共8页

第5页 / 共8页

第6页 / 共8页

第7页 / 共8页

第8页 / 共8页
已完成全部阅读,共8
THE END
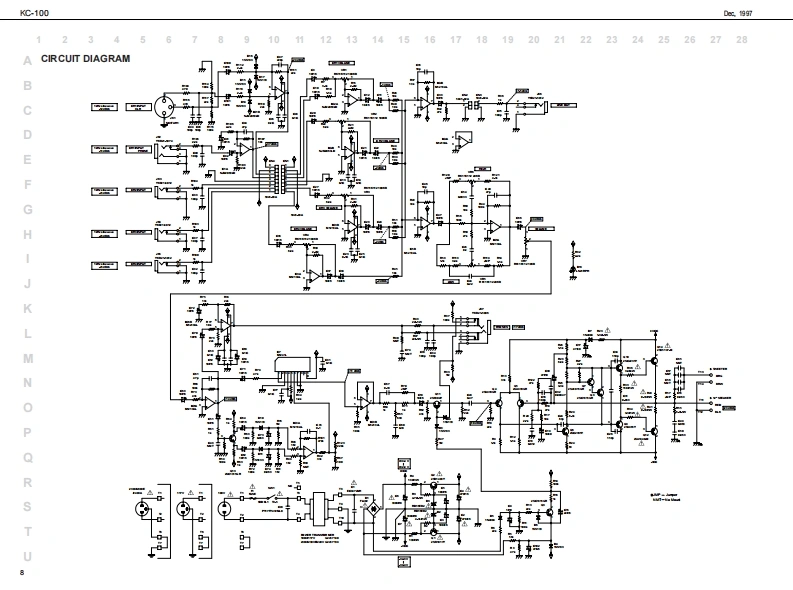
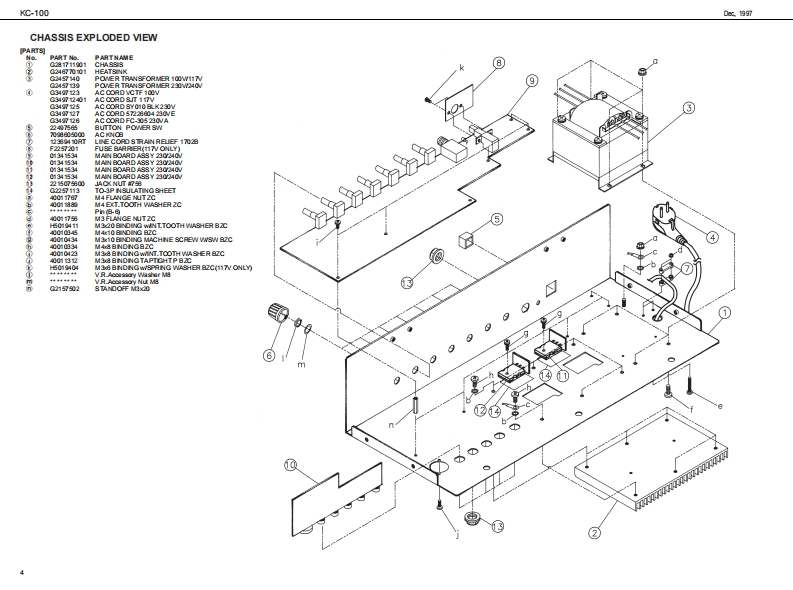
De第7KC-100KC-▣▣SERVICE NOTESSPECIFICATIONSFirst EditionG-004CH MIXINGade情gOu年dIssued by RJASpeker:808hKEYB▣AR▣AMPLIFIE7⊙nann1且Ry的-0dBmthru -20dBmChatndl 1 Phone Type:-60dBmthru -20dBm1md234-20dBmTABLE OF CONTENTSPageSPECIPCATIONSominal OutputLevel候比封LNEOUT:t创BmANEL LAY0UT===========0Bm-0775mmCABINET EXPLODEDVIEWCHASSIS EXPLODED VIEW..Spaiker:30cr间25x1+Twdtar x1CIRCUIT BOARDContrelCIRCUIT DIAGRAM--:Chinnd 1 MICAUNE山mdChinnd 2LNE VdumeChnnd 3LNE VdueLOWTE致EMastur VOLUVEPOWER SwichCeanectee用Chinnd 1 Input JackChinnd2putd女RolandChannd 3 Irput JackChiannd 4 Input JackHONE多山k:40W0Ct00BOW (AC 1TW230W240V)Dime mcaa478M023e0000mm1&ax03料0包g8-达80H动@w中:14g3油量:Cn生uMEd(I00aCwner's Marual (Jlapanio)(1)Copyright 1997 by ROLAND CORPORATION:S知eard然1AAll rights reserved No part of this publication may be reprodced in any fom withoutthe writan permissian ofSpekarCap S线Cp0H0707)ROLAND CORPORATIONhnag面S线1话Apg址d,国uw的轴aRoland 17059908Prnudn Japan (CR)ADO 1
喜欢就支持一下吧
评论 抢沙发

请登录后发表评论

    请登录后查看评论内容