

第1页 / 共13页

第2页 / 共13页

第3页 / 共13页

第4页 / 共13页

第5页 / 共13页

第6页 / 共13页

第7页 / 共13页

第8页 / 共13页

第9页 / 共13页

第10页 / 共13页
试读已结束,还剩3页,您可下载完整版后进行离线阅读
THE END
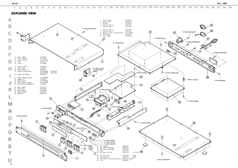
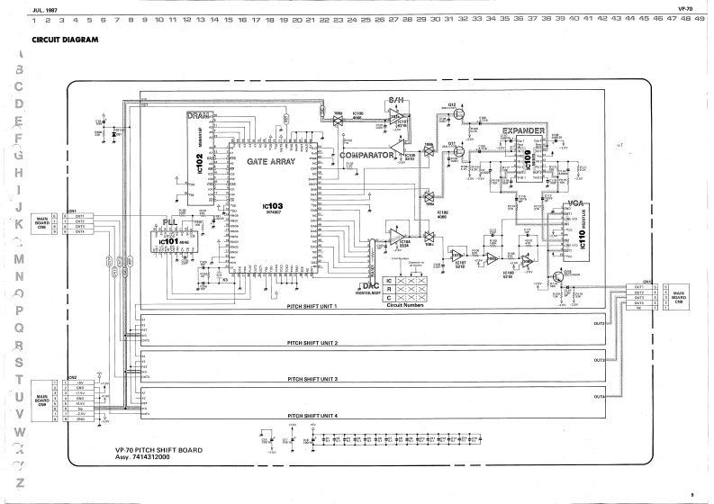
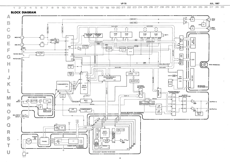
UL.1987VP.70P-7回SERVICE NOTESFirst EditionSPECIFICATIONS455S5SUNI113292901391稀点和川HLUn47013000114424712247e52+1t■dcwe-00r00E-1088rB2011-41#12Q中9可可可可p20H -30KHeS/N Rasada超G回a5A相TC晰:U4Et-2DIN SPowtr Camarpt不17聊6CV117/220 AC Inkt0111113026w●112V22240wDimetiors4量3wa27600.440m21M1x107Dx114010TABLECONTE NT SPAGEEXPLODED VIEWCAUT ION3PARTS LIST好F0061071A41程A5GR1319194BLOCK DIAGRAM15901升Sutisn BLK4J0040C I RCU I T DESCR I P T I ON5=620020222万7DETERMINI NG R OMVERS TON NUMBER7-Banan Aurg Cg22402716ADJU台TMENT5t的14152弹病83t48E12120231门123PI T CH SHI FT B O A R D8-MAIN BOARD10-11LFn0L512份眉011514MSW B OA RO12POWER SUPPLY BOARD12-13I NP UT B OA RD1322470240■RolandPrinted in Japan B3 LH
请登录后查看评论内容