

第1页 / 共41页

第2页 / 共41页

第3页 / 共41页

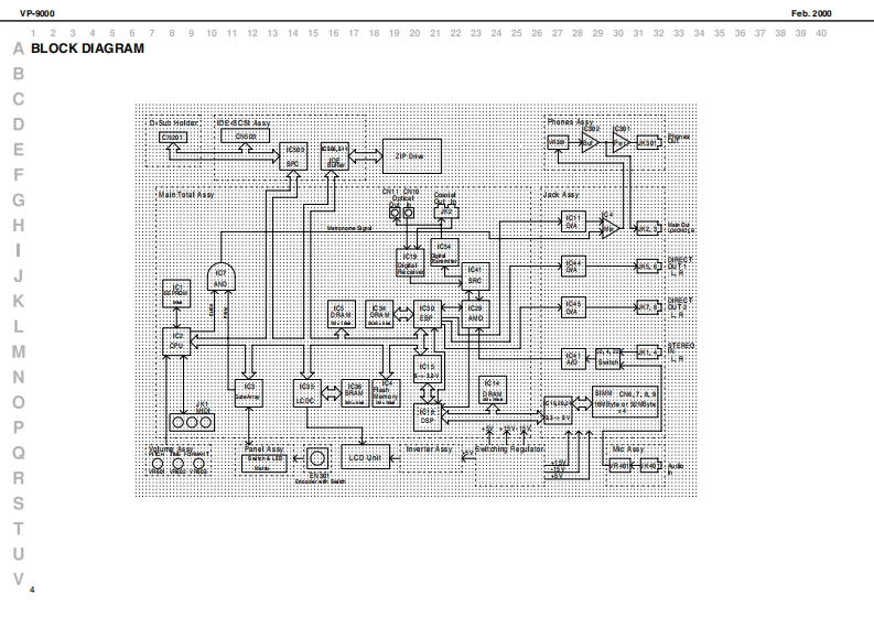
第4页 / 共41页

第5页 / 共41页

第6页 / 共41页

第7页 / 共41页

第8页 / 共41页

第9页 / 共41页

第10页 / 共41页
试读已结束,还剩31页,您可下载完整版后进行离线阅读
THE END
VP9000Feb.2000V口-g▣▣▣SERVICE NOTESSPECIFICATIONSVP0000:VarPhease processorVARIPHRASE P7口CEsS▣7First EditionERCT0TI径L,R)Issued by RJABo4+108m●P白●0 ufpu Impe山ncw1o名Bdmoed 2kdem6业国●y●Intemal Merrory140x4ds鱼LDTABLE OF CONTENTSPage●Dak DriveIof dd pun●Cannector回当twm线山金EP0工DM0wLOCKDAGRAV..-------4b的图tanh mpandid甲eua鱼ac ia (W inh ph国PE山-I36M国M)CHECKNG THE VERSONNUMER ...●EedaTEST NODE..46SYSTENSOFTWARE UPCATE PROCEDURE...Revat争a国cmfmn bx0DiLOADNG元ROM工管SM交TTG5..Cane1线0COTEALComackaMohe 40ots飞am●Sampling FrequencyCOAAL Cemdos线,4山,是a而(wtan undlag oe plabad)RCxCmmm4线4,33034,经16CRCUIT BOARD CAOK,PIONES,MIC)-201线,11,b和tm41wSC:Ful pch pin ypCRCUIT DIACRAM CAOK,PHONES MIC)..35744dM0Cdw,曹4CRCLIT BOAR面L,EzuM,B4C立线Man-CFCT口RAMPALCRCLIT DIACRAM IDC-SCS..4016过国ar家国鱼4网TK题山在CRCUIT DIACRAN NOLE.D-GUOL ENCCCER,INWE RTER).411w16bMst如鱼4血gDO年des (IAinh phonaO气Cd0h制RT0筑T1L,RDERECT OUT2IL R)●Py●F4 ncy ResponueACINY,AC10WsC4的0只电0只七-N1d里●Porer Conu四1on0的HWC0的IVOLUME:MOC HE-ADR●Omen aion围DERECT OUTIA(L,R19的x1116x3-性回i年sh山t44awsWelght●omn hn速Lw天4wNIa15aADOO I (hoerc 40dmRCEL出e0Owra's Maad Fngih⑨@g王☑a图CL▣:MA718到T≤OUTa金4-e道t120Wtn418nd白白巴回▣-0a如和hdhh4线4鱼AC Cad Sr20V06930)。dE与ACGSa B0KLH日日日日世白立白已色●Madrrum Inp速aACCH0VEI0whRCEL出MeHSosnd Lhray CD-ROMMaa隰CL▣:MAT15TOT+●0m国4出AdoCh:P-IM●Inputlimped anceMIDLON MSC-BA0T≤ONET (er'c I0komidCopyight 2000 ROLAND CORPORATIONmuion of ROLAND CORPORATION通d+10d出mh山tddaRoland17059012Primted in Japan AA00 (DP)1
请登录后查看评论内容