

第1页 / 共19页

第2页 / 共19页

第3页 / 共19页

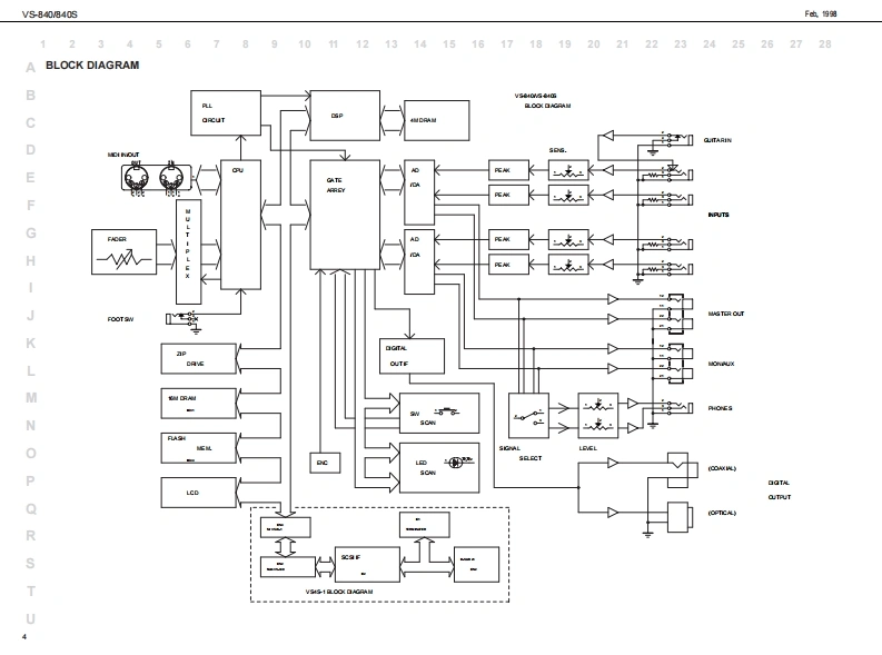
第4页 / 共19页

第5页 / 共19页

第6页 / 共19页

第7页 / 共19页

第8页 / 共19页

第9页 / 共19页

第10页 / 共19页
试读已结束,还剩9页,您可下载完整版后进行离线阅读
THE END
他.塑VS-840V840SVS-B4▣/B4▣sSERVICE NOTESSPECIFICATIONSG WORKSTATIONFirst EditionIssued by RJA出年TABLE OF CONTENTSPage高点脑温出花学云中以0 CK DIAGRAM================密wDENTIFYING THE VERSION NUM但ER:==================:================7名增出EST00E=============================================一79VS-840 SYSTEM SOFTWARE UPDATE“USING THE SMF.SA/ING USERAREACIRCUIT DIAGRAM0AD=====================================10-15閨SPECIRCATIONS (VS4S-1)STALLING THE VS4S.1)=============孩法型一由CIRCUIT DIAGRAM&0 ARD (VSIS1)================================18.19变兰一专“出士密=u奇空法我山wh白△gon图皆品。o10o1olg庄66666回同雨回回向“密品一步出Copyrig ht 1998 by ROLAND CORPORATIONROLAND CORPORATIONRoland 17059909Prirted in Japan (A000)(CR)
请登录后查看评论内容