

第1页 / 共20页

第2页 / 共20页

第3页 / 共20页

第4页 / 共20页

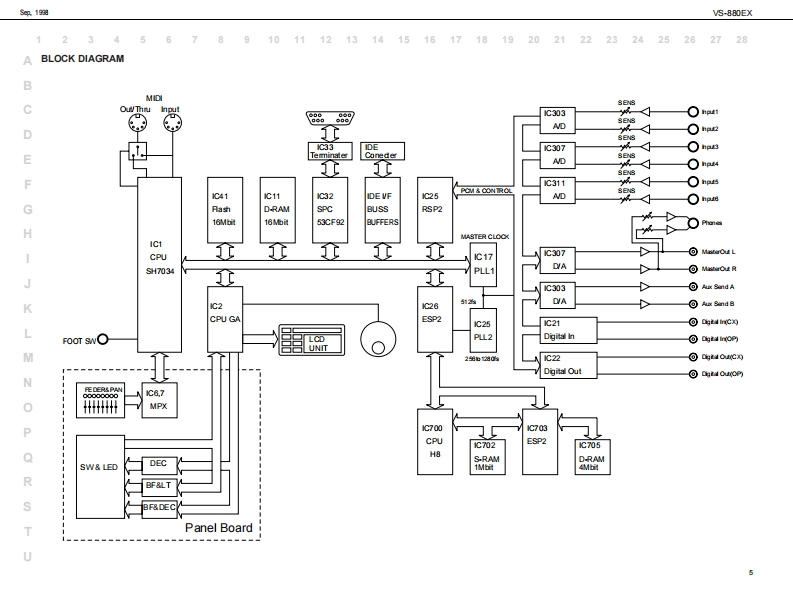
第5页 / 共20页

第6页 / 共20页

第7页 / 共20页

第8页 / 共20页

第9页 / 共20页

第10页 / 共20页
试读已结束,还剩10页,您可下载完整版后进行离线阅读
THE END
全具的自VS-880EXVS-880EX SERVICE NOTESSPECIFICATIONSV■a区0 M tote M NFirst EditionDIGTAL STUDIO WORKSTATIONIssued by RJA,中ehs6 phpad BAA sm.Ea OA非.TABLE OF CONTENTSPageBSPEC月CTNS====================低m44o&e以0 CK DIAGRAM================aIDENTIFYING THE VERSION NUMBER-LVSg3S5EMS亦NEUP0灯AU均N8TEF=========================“====9SAMING SYSTEM PARAMETERSaarMAIN BOARD REPLACING PROCEDURE-CIRCUIT DIAGRAM BOARD国Ew墨M地(四学四写codNMA2aaw1啡LBAFU441地3进地ndoo白6玉品a合巴回白回回中Copyright 1998 by ROLAND CORPORATIONAll righs neserved.No pat of this pub lca ton mybe re produad in any bmwi hou the writen pormisson ofROLANDCORPORATONm四国Roland 17059933Printed in Japan00c角1
请登录后查看评论内容