

第1页 / 共41页

第2页 / 共41页

第3页 / 共41页

第4页 / 共41页

第5页 / 共41页

第6页 / 共41页

第7页 / 共41页

第8页 / 共41页

第9页 / 共41页

第10页 / 共41页
试读已结束,还剩31页,您可下载完整版后进行离线阅读
THE END
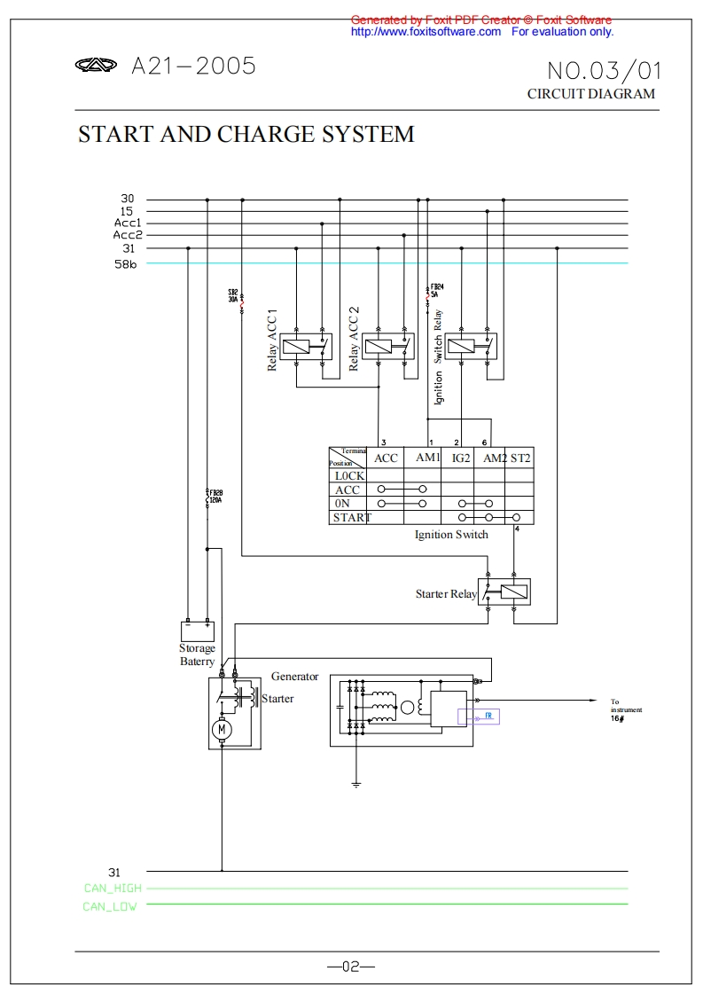
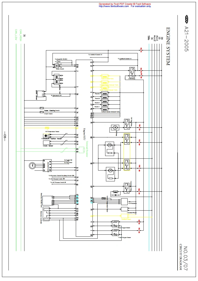
Generated by Foxit PDF CreatorFoxit Softwarehttp://ww.foxitsoftware.com For evaluation only.A21-2005N0.01/01CIRCUIT DIAGRAMCONTENT1.READING INSTRUCTIONS...................0..2.START AND CHARGE SYSTEM.................023.ABS SYSTEM…034.A/C SYSTEM.045.AUDIO SYSTEM.056.AIRBAG.067.INSTRUMENT SYSTEM.078.ENGINE SYSTEM089.FRONT ISU SYSTEM.0910.FRONT ISU SYSTEM1011.REAR ISU SYSTEM
请登录后查看评论内容