

第1页 / 共41页

第2页 / 共41页

第3页 / 共41页

第4页 / 共41页

第5页 / 共41页

第6页 / 共41页

第7页 / 共41页

第8页 / 共41页

第9页 / 共41页

第10页 / 共41页
试读已结束,还剩31页,您可下载完整版后进行离线阅读
THE END
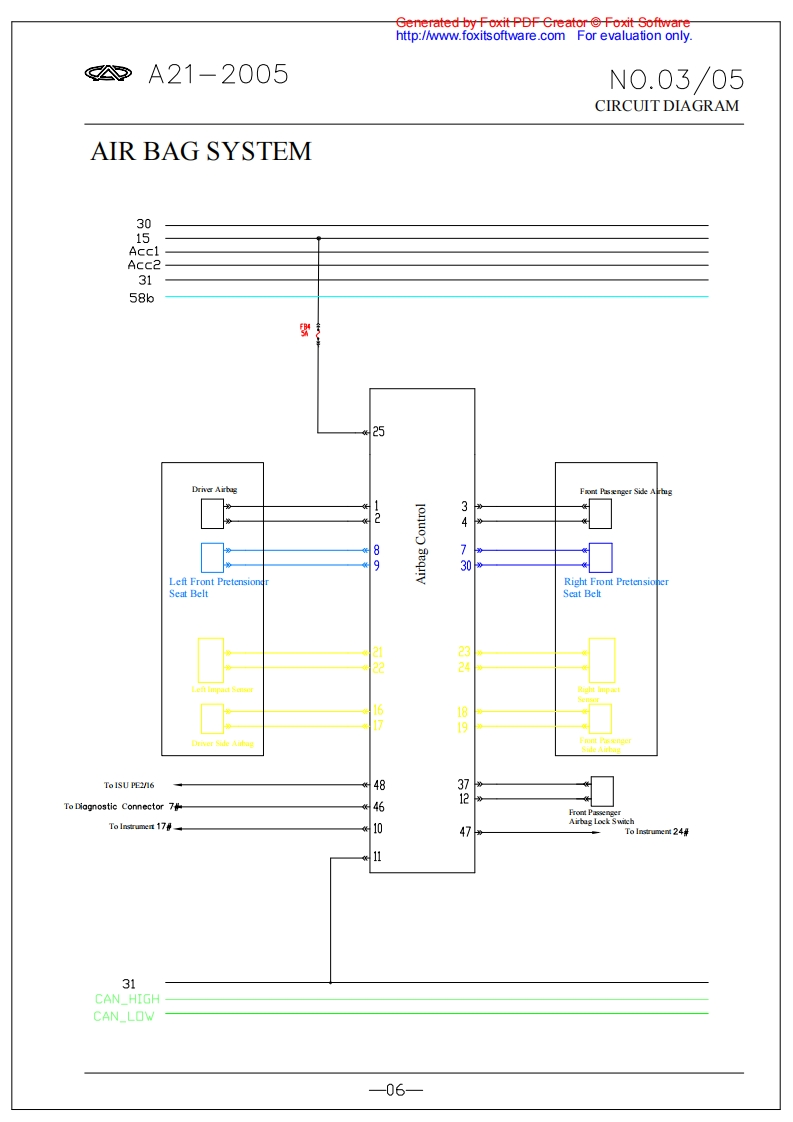
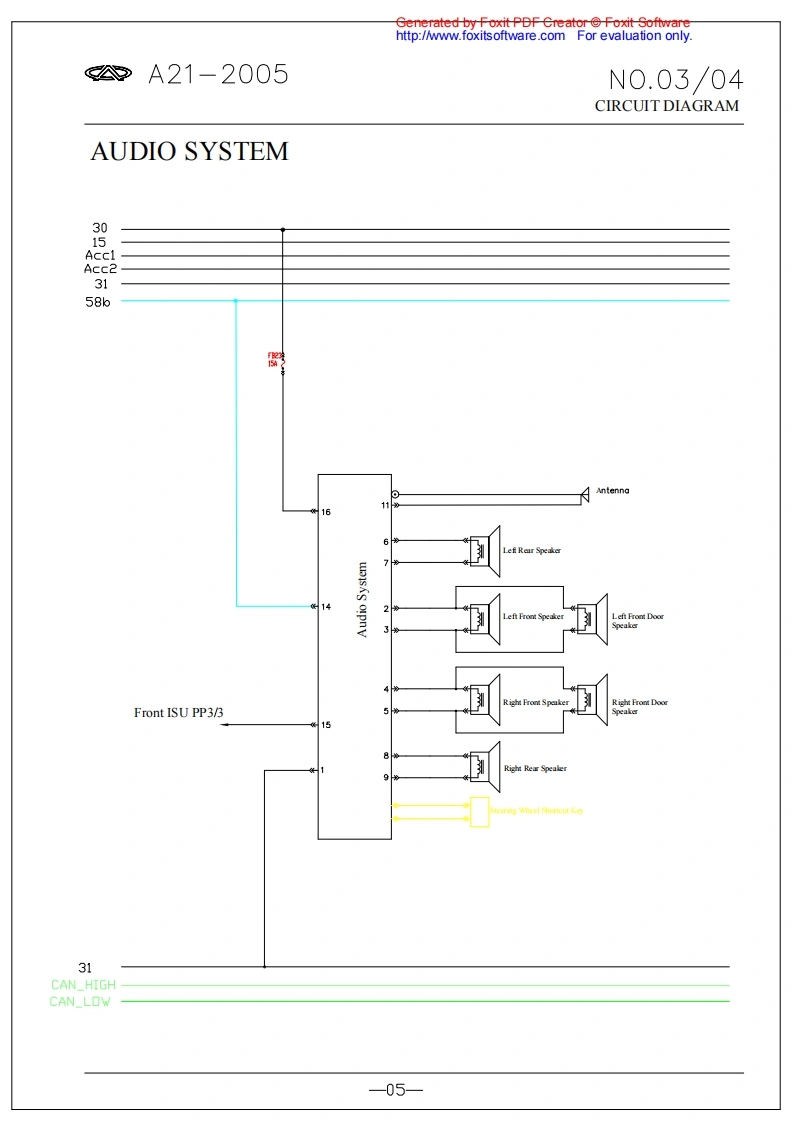
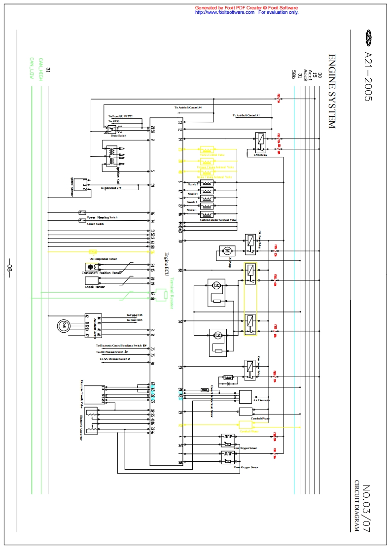
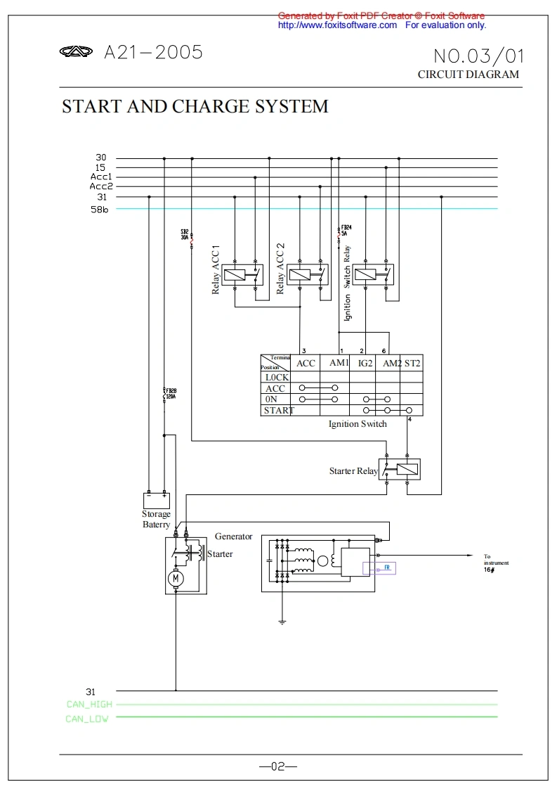
Generated by Foxit PDF Creator Foxit Softwarehttp://www.foxitsoftware.com For evaluation only.A21-2005N0.01/01CIRCUIT DIAGRAMCONTENT1.READING INSTRUCTIONS..012.START AND CHARGE SYSTEM.................023.ABS SYSTEM34.A/C SYSTEM.045.AUDIO SYSTEM.056.AIRBAG.067.INSTRUMENT SYSTEM.......................078.ENGINE SYSTEM089.FRONT ISU SYSTEM.0910.FRONT ISU SYSTEM1011.REAR ISU SYSTEM.11
请登录后查看评论内容