g12维修电器原理图说明书手册

g12维修电器原理图说明书手册新质力文库 - 聚焦新质生产力发展的数字化知识库_行业洞察 / 理论成果 / 实践指南免费下载新质力文库
g12维修电器原理图说明书手册
此内容为付费资源,请付费后查看
2232
立即购买
您当前未登录!建议登陆后购买,可保存购买订单
付费资源

第1页 / 共1页
已完成全部阅读,共1
THE END
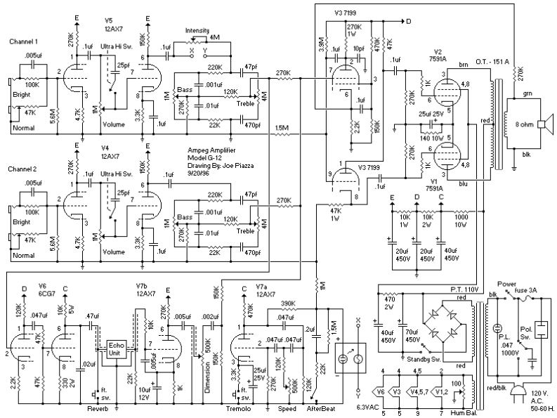
V37199WV5ED12AX7270KIntensityChannel 1S☐M1ufUltra Hi Swu10p005udV27591A0.T.-151A220K47pfbrnw270K100K001uf4,8BassBright120Kgrn.01ufTreble47K25uf 25VNormalVolume欲470p15M8 ohmn”14010W5V4Ampeg Amplifier12AX7Model G-12026红wmblk48Channel 24032Draving By:Joe PiazzaV371991ufUltra Hi Sw.1uf9r20196005u4blu7591A220K47pf270K100K001uf47Bass10K10K1000Bright120K1w2w10wTreble47KNormalVolume22K470pf20uf20uf40uf450W450W450WV7bEV7aPower12AX712AX7P.T.110VblkFuse 3A390K4702047u005uf002uf047u2uf遥40uf70uf047uf.047u+450W450WSw.Echo.0471000Y.02uf3Standby Sw.red25u4525V10010uFt.V6
喜欢就支持一下吧
评论 抢沙发

请登录后发表评论

    请登录后查看评论内容