g15_gemini_ii维修电器原理图说明书手册

g15_gemini_ii维修电器原理图说明书手册新质力文库 - 聚焦新质生产力发展的数字化知识库_行业洞察 / 理论成果 / 实践指南免费下载新质力文库
g15_gemini_ii维修电器原理图说明书手册
此内容为付费资源,请付费后查看
2232
立即购买
您当前未登录!建议登陆后购买,可保存购买订单
付费资源

第1页 / 共1页
已完成全部阅读,共1
THE END
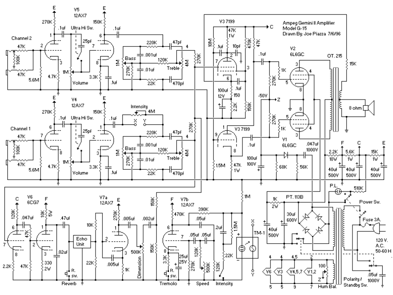
E↑5E12AX7270K50K2V37199Ampeg Gemini ll AmplifierUltra Hi Sw.1uC47KModel G-15Channel 21Drawn By:Joe Piazza 716196220K47pf47KvvV2001uf6L6GCBass0T.215120K15K1M401ufTreble47K4.7K33.3K25.6M6Volumeluf欲470pf5100uffEE12V150-50WV4*212AX7Intensity8 ohm270K3150K21ufUltra Hi Sw..1uf50Channel 1V37199>1K220K47pf100247KhhA1001uf6L6GC047uf120Kt000W22K5.6K15KTreble100uf1M47K4.7K3.3K31.5M347K100W68K56M56KYolume2240uf40uf40uf470pf500V500V500VPL。】510KV7a6CG712AX7ELV7bMKPT.113BPower Sw.12AX7390K047u30uf,47uf005uf002uf05uf600Fuse 3A6生10K6.2uf逼05uf 05uF+TM-140uf500VEcho7120VUnitA.C.8.02uf500K850-60H25u22K33022K925V2.2K347K005uf100FE.K6<3V4.57
喜欢就支持一下吧
评论 抢沙发

请登录后发表评论

    请登录后查看评论内容