手册编号154:ICOM-IC-745_电器原理说明书手册
G-745SCHEMATIC DIAGSW-DSW-FLED-CMATRIXDISPLAYVR-CLED-A中-中到到。神-中9中LED-BMICSWVR-ASW-BSW-ADownloaded byRadioAmateur.EU
Hangcha-CPCD35-XW33C-RT4-Operations-Manual操作与维护保养说明书手册
OPERATION MANUAL2.5-3.5T Rough terrain forklift truckOperational and Maintenance ManualOriginal InstructionCPCD30/35-XW43E-RTCPCD25-XW43E-RTCPCD30/35-XW33E-RTCPCD25-XW33E-RTCPCD30/...
IC-7851-操作说明书手册
THE TRANSCEIVERS-78501C-7851Instruction ManualA7205H-1EX-2Printed in Japan©2015-2018 Icom Inc.
Kenwood_TK-3160_serv维修手册含电器原理图
UHF FM TRANSCEIVERKENWOODTK-3160SERVICE MANUAL2003-8 PRINTED IN JAPANB51-8653-00(S)1314CONTENTSGENERAL......2SYSTEM SET-UP…2OPERATING FEATURES....3REALIGNMENT...4DISASSEMBLY FOR R...
FT-736R_serv维修手册含电器原理图
Ny side 1FT-736RTECHNICAL SUPPLEMENTfle:CVyae5u%20736%20r1htm(1of291)18-11-0110:32:03)]
RIGOL-DM858_编程操作说明书手册_EN
RIGOLDM858SeriesDigital MultimeterProgramming GuideFeb.2024
古野FURUNO-fr7062_7112_7252-操作说明手册-version-e-20260409中文版
FURUUNODPERATOR'S MANUAL船舶雷达型号FR-7062/7112/7252FURUNO ELECTRIC CO.,LTD.NISHINOMIYA,JAPAN
手册编号182:Icom_IC-F43GT_IC-F43GS_IC-F44GT_IC-F44GS_使用说明书手册
COMMPT Trunking6MPT1327/1343INSTRUCTION MANUALUHF TRUNKED RADIOSIC-F43GT/GSI己-F44GT/GSIcom Inc.P1 P20#Icom Inc.
杭州叉车NL_1_2t_1_5t -MINI-RANGE-CDDCDT_OPERATIE-EN-ONDERHOUDSHANDLEIDING操作与维修维护手册
SC>HANGCHAMini BereikCDDRV15-A2MA-SZCTD12/15-A2MA-SZELEKTRISCHE STACKER CDD12/15-A2MA-ISzCTD12/15-A2MA-ISZCDD12/15-A2MA-SZFCTD12/15-A2MA-SZFCDD12/15-A2MJ-SZCTD12/15-A2MJ-SZCDD12/15...
ADVANCE-Advance-PBU-27-WITH-18HP-Operators-Manual说明书手册含电器原理图
PBUPropaneFloor BurnisherEquipmentOperator's Manual Manuel d'utilisation Libro de InstruccionesModels:56381402(21 KBCAT),56381404(21KB),56381454(21 KBCATCL)56381405(27KB),56381406(...
kenwood_tk780-880-980-981_使用说明书手册
INSTRUCTION MANUAL■■■PM0NSCS0K联J■■■■DVHF FM TRANSCEIVERTK-780 seriesUHF FM TRANSCEIVERTK-880 series800 MHz FM TRANSCEIVERTK-980900 MHz FM TRANSCEIVERTK-981KENWOOD CORPORATI...
FT-767GX_2m_6m_70cm_installation
VHF UHF BAND MODULE INSTALLATIONIN THE FT-767GX AMATEUR TRANSCEIVERThis procedure describes the installation procedure for any or all of the FEX-767-6(6m),FEX-767-2 (2m)or FEX-767-...
IC-M3A-Instruction-manual操作说明书手册
COMINSTRUCTION MANUALVHF MARINE TRANSCEIVERIC-M3AThis device complies with Part 15 of theFCC Rules.Operation is subject to thecondition that this device does not causeharmful inter...
RIGOL-M300_编程操作说明书手册_EN
RIGOLProgramming GuideM300 SeriesData Acquisition/Switch SystemJul.2025RIGOL TECHNOLOGIES CO.,LTD.
艾可慕IC-M88_Manual操作说明书手册20260331中文版
COM使用说明书VHF船用收发机iM88WATERPROOF本设备符合美国联邦通信委员会(FCC)规则第15部分的规定。使用6本设备须遵守以下两项条件:(1)本设备不得造成有害干扰;(②)本设IC-M88TAGUn/CADUAL...
手册编号212:ICOM-IC-751_RC-10_使用说明书手册
FREQUENCY SETTINGICOMRC-10By pushing the digit keys in order of the desired frequencydigits,the frequency display will be changed according to theFREQUENCY CONTROLLERkey that is pu...
Akai-CDA70-cd-电气原理图手册
AKAIMODEL CD-A7OSCHEMATIC DIAGRAMAND PC B▣ARDSTABLE OF CONTENTS1.SCHEMATIC DIAGRAM OF ICs......22.LCD PC BOARD,OPERATION PC BOARD...........................63.CONNECTION DIAGRAM.....
Tennant-5200-XR-04-04
ENGLISH ESPANOLTENNANT5200Battery Automatic ScrubberFregadora Automatica BateriaModel No.:Operator and Parts Manual612950Manual de Operacion y de Piezas612951-Pac612952-Can.PacTENN...
Kenwood_TK-250_TK-350_使用说明书手册
VHF/UHF FM TRANSCEIVERTK-250/TK-350INSTRUCTION MANUALHSI7ON3KENWOOD CORPORATION
FT-790R_user操作说明书手册
FT-790RTABLE OF CONTENTSO.7 METER PORTABLE TRANSCEIVER(Page)INTRODUCTIONSPECIFICATIONS2SEMICONDUCTORS...............................3ACCESSORIES.......................................
IC-M55_Manual操作说明书手册
ICOMVHF FM MARINE TRANSCEIVERIC-M55OWNER'S MANUAL.会之2ICOM INCORPORATED
日本古野FURUNO-1835_1935_1945_安装调试说明书手册(1)-20260409中文版
安装手册船用雷达MODEL1835/MODEL1935/MODEL1945安全须知系统配置,....设备清单............i1.系统安装指南.1-11.1显示单元.1-11.2型号1835的天线单元.….1-21.3适用于MODEL1935/MODEL1945的...
手册编号244:ICOM-IC-7800_维修说明书手册
iCOM'SERVICEMANUALTHE TRANSCEIVER1C-7800Downloaded byRadioAmateur.EUIcom Inc.
Akai-CS30D-tape-电气原理图手册
SECTION 4SCHEMATIC IDIAGRAM1.CS-33D SCHEMTIC DIAGRAM 1462004A2.CS-30 SCHEMTIC DIAGRAM No.2-1 1462002A3.CS-30D SCHEMTIC DIAGRAM No.2-2 1462003A
MXA-5000InstructionManual操作说明书手册
INSTRUCTIONSAIS RECEIVERThank you for purchasing the MXA-5000 AISMXA-5000RECEIVER.Please read these instructions carefully beforeinstallation and operation.PRECAUTIONS.ANEVER apply...
Kenwood_SP-23_user操作说明书手册
SP-23(EXTERNAL SPEAKER)Downloaded byRadioAmateur.EUSP-23 External ViewSP-23 SpecificationsSpeaker used7.5cm dia.Rated input1WImpedance82Frequency response300Hz to 5kHzDimensions (m...
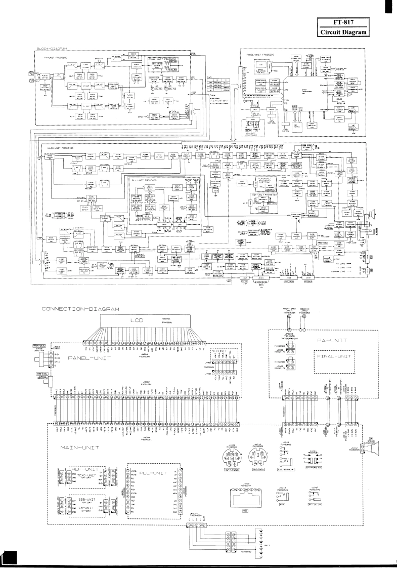
FT-817电器原理图
FT-817Circuit Diagram离7-冠☑四--风图-恩7细怎超说一南离南宰率早甲CONNECTION-DIAGAAMLCO而面面⊙卤卤卤卤@电态心卤6命古南南南多每+PA-UNIT1i的306a8&88d88月月8里20181895gVR-INTTPANEL-UN...
IC-M8-Service-manual维修手册含电器原理图
ICOMSERVICEMANUALIC-M8VHF MARINE TRANSCEIVERICOM INCORPORATED
RSA3000E_UserGuide_CN
RIGOL用户手册RSA3000E系列实时频谱分析仪2019年8月RIGOL (SUZHOU)TECHNOLOGIES INC.
艾可慕ICOMF1100_OperatingManual操作说明书手册20260331中文版
FCC信息注哪:错物将浓发机校置安留置在温变任于5℃《-注意:情在超出依发机指定温变览围《-G一ICOM说盟3月安于+C《+13到)的环境中:E可3版本,温本设备已过测试,行合FCC测第15分A类数字变于-3...
手册编号271:Icom_IC-F1010_IC-F1020_维修说明书手册
iCOMSERVICEMANUALVHF PRIVATE MOBILE RADIOIC-F1010VHF LAND MOBILE RADIO1C-F1020Icom Inc.
BOSS_CL-50_维修手册电器原理图
SEPT.1990CL-50⑤EB▣SSCL-50SERVICE NOTES囹SPECIFICATIONS/仕樣COMPRESSORFirst Edition10dDn/+4nLIMITER与+4n1日/10TABLE OF CONTENTS目次=k-.Pageeal lroedanca/A办fyE-gya}:。SPECIFICATIO...
Tennant-5700EE-SN100000-later-01-11
TENNAN5700EE(Electric)Walk-Behind ScrubberParts Manual@(S/N10000000-ESExtended Scrub SystemNorth America International331536Rev.04(01-2011)www.tennantco.comHomeFind...Go To.
Hytera-PD402i-Digital-Portable-Radio-操作说明书手册
HyteraDIGITAL PORTABLE RADIOOWNER'S MANUAL
ICOM—IC-2800H-Instruction-Manual
IcomINSTRUCTION MANUALDUAL BAND FM TRANSCEIVERIC-2800HThis device complies with Part 15 of the FCC rules.Operation is sub-ject to the following two conditions:(1)This device may no...
卡特Cat-910F-Wheel-Loader-Electrical-Schematic电器原理图
CRTERPILLAR出Schematic910 F Wheel Lo时世Elee trical System1M4平@里黑里里世口四出工#女绿生m出女E2,佩果=空兰学出总地兰=学甲出出合B且出世级02出出齿宝出。
日本古野FURUNO-dff3_uhd_安装调试说明书手册-20260409中文版
2安装手册网络鱼探仪型号DFF3-UHD致DFF3-UHD用户的一封信恭喜您选购FURUNO DFF3-UHD网络鱼探仪。DFF3-UHD是一款网络鱼探仪,专为配合NavNetTZtouch3(TZT9F/12F/16F/19F,版本3.01或更高)和NavNet...
手册编号2:ICOM-IC-706Mk2_使用说明书手册
iCOMINSTRUCTION MANUALHFNHF TRANSCEIVERIC-706MKI君程95.沿699断1·SPLA/BThis device complies with Part 15f the FCC rulesOperation is subject to the lollowing two conditions:(1)This ...
BOSS_DR-550_维修手册电器原理图
Mar.1900DR-550回3OSSDR-550SERVICE NOTESTABLE OF CONTENTS目次PageDr:RhythmFirst EditionEXPLCDED VEW分解四DR-550 DISASSEMBLY PROCEDUREDR-550分方法/注意3SPECIFICATIONAND PRECAUTIONSNa...
ADVANCE-Advance_Terra-5200B_Rider-Sweeper_Parts说明书手册含电器原理图
TerraTM 5200BPARTS LISTAdvance model:9084513010Advanceby Nilfisk-Advance1463544000(1)2008-07
手册编号309:ICOM-IC-7760_advanced_使用说明书手册_2024
icomADVANCED MANUALHF/50 MHz TRANSCEIVER1 ADVANCED CONNECTIONSIC-77602ADVANCED OPERATIONS3 SCOPE OPERATION(ADVANCED)4SD CARD/USB FLASH DRIVE (ADVANCED)5 VOICE RECORDER FUNCTIONS6VO...
ESAB-MED44Aristo维修手册
ESABMED 44AristoWire feed unit79pService manual740800-0769308
ADVANCE-Advolution20b-bt说明书手册含电器原理图
Advolution 20BAdvolution 20BT△®器Instructions For Use and Parts ListInstrucciones para el uso y lista de piezasGuides d'utilisation et liste des piecesAdvance Models:01594A(20BT1...
Hytera_TC-580用户使用操作说明书手册
HYT)1H1/1h1/111TC-580Hytera010oRAd drea:HT Towet H-Te chindutrial Park North,Behuanwww.hytera.cnRD.,NarhunDatrict Sheruhen,ChinasPat18057htp:/www.hytera.cnL067T4003I
FT-900_维修维护电器原理图手册
FT-900Technical SupplementYAESU MUSEN CO.,LTD.C.P.O.Box 1500,TOKYO,JAPANYAESU U.S.A.17210 Edwards Rd.,Cerritos,California 90703U.S.A.YAESU EUROPE B.V.Snipweg 3.1118DN SchipholThe N...
Kenwood—TS-430S-Instruction-Manual
KENWOOD的A月日HF TRANSCEIVERModel TS-430S:419500INSTRUCTION MANUAL
Kyocera-TASKalfa-7353ci-8353ci-操作说明书手册-DSBLS
心KyOCERakyoceradocumentsolutions.comOperation Guide8353ci7353ciKyOCERa▣▣▣▣


























-20260409中文版-0140c4afcd-pdf-1.webp)


























