Traynor-YCS50H-Schematic维修手册
YorkvllleSERVICE MANUALMODELTYPE:YS1064TRAYNOR YCS50HWEB ACCESS:http://www.yorkviDle.comWORLD HEADQUARTERSCANADAUSA.Yorkville SoundYorkville Sound Inc.五型写550 Grante Court4625 Wi...
编号53:建伍KENWOOD-NX-5200_RA018_B5B-7164-10维修图纸手册
KENWOODSERVICE MANUALVHF DIGITAL TRANSCEIVERNX-5200NX-5200F2,K2,E2NX-5200F3,K3,EKENWOODKENWOODMHn 12:3481Channel 1Channel 1asevd Zone StatusPassed Zone-StatusAB C1☐2378w9.0#TABLE ...
HarmanKardon-PT2300-tun-维修说明书手册含电器原理图
The Harman KardonLLModel PT2300Manual ASTEREO TUNERTechnical Manualharman/kardons1G飞3TRE·NE长1k因0m188.8868The following marks found in the parts list of this manualidentify the ...
HarmanKardon-TU9600-tun-维修说明书手册含电器原理图
The Harman KardonModel TU9600Manual 155AACTIVE TRACKING TUNERTechnical Manualharman kardon 7US0《(·夕夕The following marks found in the parts list of this manual identifythe model...
TS-811维修电器原理图手册
KENWOODSERVICE MANUALTS-711A/E.TS-811A/B/EAC-10,CD-10,TU-5,VS-1144MHz/430MHz ALL MODE TRANSCEIVER1Y50000 ao品品Photo is TS-711A.CONTENTSCIRCUIT DESCRIPTION2TS811A/B/E LEVEL DIAGRAM...
陕汽重卡Shacman-F3000-chassis-tail-wiring-harness-2
陕发重卡品质成就束来德赢天下服务领先品质成就未来照轻SHACMAN汽车电器知识培训F2000-F3000陕汽进出口公司服务部培训科
Sinumerik-840D-sl840D840Di-sl-循环编程手册
循环编程SINUMERIK 840D sl/840D/840Di sl手册·01·2008SINUMERIKAnswers for industry.SIEMENS
SINOBOOM星邦重工21322732-Parts-Manual零部件说明书手册
Part No.501042120002Rev:AParts0ct2020ManualGTJZ0608/0608/2132GTJZ0808/0808/2732000⊙0@CE ANSI AS/NZS①.E[GB≤ssinoBoom
编号45:摩托罗拉MOTOROLA-GP300维修手册6880901Z93-B
Table Of ContentsMOTOROLAForewordScope of Manual................................viiHow to Use This Manual..,..,.,,.,,.,,,,,..,,..,,,,viiOther Documentation,,,,,,,,,,,,,,.,,,,,,,,,,...
TENNANT-T17
TENNANTT17(Battery)Rider ScrubberParts ManualESR Extended Scrub SystemTennant True PartsH2⊙DIRISTM a Tennant TechnologyAn ORBIO TechnologyC€For latest Parts manual or other902019...
山推零部件手册图册-SHANTUI-SD16
前言本零件目录对SD16、SD16E、SD16L三种型号推土机的通用件或专用件进行了综合编制。零件表的数量栏内,未标注产品型号的件数量为三种机型的通用数量:专用件或件数不同者,均在数量栏上方标有...
FT-450_user操作说明书手册
YAESUHF/50 MHZ TRANSCEIVERFT-450OPERATION MANUALDownloaded byRadioAmateur.EU晋器四巴智2l295.000-VERTEX STANDARD CO.,LTD.4-8-8 Nakameguro,Meguro-Ku,Tokyo 153-8644.JapanVERTEX STANDA...
Akai-APD30-tt-维修说明书手册含电器原理图
AKAI SERUICE MAMUALDIRECT DRIVE AUTO-RETURN TURNTABLEMODELAP-D30/CQUARTZ DIRECT DRIVE AUTO-RETURN TURNTABLEMODELAP-Q50/C
Fostex-Model20-tape-维修说明书手册含电器原理图
Service ManuaModel202 Track Recorder/ReproducerFostex
Akai-ASR8035SSP-sub-维修说明书手册含电器原理图
赤AKAIAKYCTMHECKAS CMCTEMAModel;AS-R8035SSPSERVICE MANUALwww.akai.ru
ICOM-ICM7224维修手册
1IAXIV4%Digit Counter/Decoder/DriverGeneral DescriptionFeaturesThe Maxim ICM7224(LCD)and ICM7225(LED)areImproved 2nd Source!(See 3rd page for'Maximhigh speed 4%digit counters.featu...
362_ESP-600C
F.15-237October,1995INSTRUCTION MANUALESP-600CCutting Power Source806g0⊙O①O①This manual provides installation,operation,maintenance,and troubleshooting instructions for the foll...
Sm-Wouxun-KG689VHF维修电器原理图
Service ManualwouxunwouxunModel:KG-689/Freqyency:136-174MHzVersion:KG-689-0801-V1QUANZHOU WQUXUN ELECTRONICS CO.,LTD人
JLGES2632ES3246高空作业平台升降机车操作与维修电器原理手册
An Oshkosh Corporation CompanyService Maintenance ManualModelsES2632ES3246PVC 201031219058April 28,2021-Rev BANSI(€①AS/NZSGBMOL70GAn Oshkosh Conon Comp
KENWOOD-TS-950SD-Service-Manual维修服务手册说明书含电器原理图
HF TRANSCEIVERKENWOODTS-950S/SDSERVICE MANUAL1989-11 PRINTED IN JAPANB51-8018-00(0)1336Badge(B43-1098-04)Knob.KnobFront glassKnobKnob(K29-4512-04)×4(K23-0794-04}X2(B10-1119-03)(K2...
马兰士NR1501维修手册
ServiceNR1501 /N1B/N1SG/U1B/K1SG/FB/FNManualAV Surround Receivermarantz注意圹一七又在茄乙存前、乙)圹一七又又二ュ了儿卷必式方読y〈龙达。本機:、火災、感電、付扩存忙对寸石安全性在確...
Genie-6M-GS1932-Manual操作说明书手册-HTC
HCHIRETOOLS·PLANT·ACCESSGenie 6M Scissor Lift GS-1932MGenieOperator's ManualThird EditionThird Printingwith Maintenance InformationPart No.1000031GS'1530GS-1532GS-1930GS'1932=。...
编号48:艾克幕ICOM-IC-736_738维修手册
cOMSERVICEMANUALHF/50 MHz TRANSCEIVER1C-736HF TRANSCEIVER1C-738Icom Inc.
Yorkville-CR12-Power-Amp-mService-Manual维修服务手册说明书含电器原理图
YorkvllleSERVICE MANUALCR12WEB ACCESS:http://www.yorkville.comWORLD HEADQUARTERSCANADAUSAYorkville SoundYorkville Sound Inc.550 Grante Court4625 Womer Industial EstatePickering.Ont...
Kenwood_DM-81_电器原理图
X84-l040-00X73-135000TD2PHONES7000047QI:2$C125Q225C945解20常N703:2SK904:2$A719D1,2:1SS16D3:RD6,2E8N7 BIK00e0910cRCT0000马02 MOD3 MATT CHECKDM-81
哈曼卡顿Harman-Kardon-AVR-120-维修手册
harman/kardonAVR120AV DOLBY DIGITAL RECEIVERSERVICE MANUALharman/kardon AVR 120器口回DK D。。CONTENTSESD WARNING....TECH TIP HKTT2003-01..................17LEAKAGE TESTING............
siemens西门子QRB4.基础文件-中文安装操作说明书手册
SIEMENS7720QRB4QRB4x-XxXA,带法兰AGK42和钢板QRB4x-xxxxB,弹簧夹AGK43带堵头黄焰探测器QRB4...西门子燃烧器控制器的黄焰探测器,用于监控可见范围内的燃油火焰。QRB4在燃油燃烧器处于间歌运行...
Akai-GXC715D-tape-维修说明书手册含电器原理图
AKAISTEREO CASSETTE DECKMODELGXC-715DSECTION1 SERVICE MANUAL·,,,··3SECTION2 PARTS LIST..··.29SECTION 3 SCHEMATIC DIAGRAM471
艾可慕Icom_IC-77(Manual操作说明书手册)
COMINSTRUCTION MANUALHF TRANSCEIVERIC-77-IE01177 S0@Icom Inc.
KTM14_3213027_50sx_en_驾驶与维护保养手册_rus
PyKOBOCTBO noJb3OBATEN 2014WWW.KTM.COM50SX50 SX MiniApTnKyn Ne 3213027en⑦M
Akai-HX2-tape-电气原理图手册
4A1X-2/H以-&SECTION 3SCHEMATIC DIAGRAMTABLE OF CONTENTS1.SCHEMATIC DIAGRAM OF ICs........92.HX-2 POWER AND SYSCON NO.2-1 830707ASCHEMATIC DIAGRAM.533.HX-2AMPN0.2-2830708ASCHEMATIC ...
Midland_XT511_(Owners_Manual操作说明书手册)
2-WAY RADIO WITH EMERGENCY CRANK POWERMNTE ALARM ONOFDW RX TX ALERTLOCK=回I☐AMFM VOX SCAN RGBBASE1:002ss”s纹CAMPXT511AIDLANDANOA TUNINGNE -@-VOL.XT511 Owner 's Manualwww.midlandr...
FT-8900R维修电器原理图手册
YAESUVERTEX STANDARD CO.,LTD.4-8-8 Nakameguro,Meguro-Ku.Tokyo 153-8644.JapanVERTEX STANDARDUS HeadquartersQuad Band FM Transceiver10900 Walker Street,Cypress,CA 90630.U.S.A.Interna...
哈曼卡顿Harman-Kardon-HK-6950-R-维修手册
The Harman KardonModel HK6950RManual 187AINTEGRATED AMPLIFIERTechnical Manualh3 rman kardon HK行sThe following marks found in the parts list of this manualidentify the models as fo...
Marshall-1974X-18W-Schematic
Twd=31422a415c3s1HT红级a2d国2009-3101.0040D网a园四元B1网间四9个△FI5小器网百.ER色出时18 WATT COMBO1974-197X-60-02'2
Mackie_1402-VLZ_Service_Manual维修服务手册含电器原理图_-_Schematic电器原理图s
MICROSERIES1402-VLZ'MIC/LINE MIXERSERVICE MANUALContentsPg.Quick Parts1Block Diagram2Schematics3-7PCB Layout8-11Click to openMACKIE DESIGNS INC..16220 WOOD-RED ROAD.WOODINVILLE.WA ...
Fender-Bandmaster-AB763-Schematic
ERBANDMASTER-AMP AB 763'SCHEMATIC%NOTICETHIS PRODUCT MANUFACTURED UNDERWITH ELECTRONIC VOLT METERQNE@R0 RE OF THE琴OLLOWING以.PATENT5,281770B.#297368.192g59C-FD7025PATENTS PENDING...
ICOM–IC-RM2-操作说明书手册-
IE-只MeCOMPUTERIZED REMOTE CONTROLLERINSTRUCTION MANUALZBICOMIC-AM21963y003ICOM
FTM-500DR_APRS_CHN_2306-A
YADSURadio for ProfessionalsC4FM/FM 144/430MHz双频段数字电台FTM-500DR说明手册Bluetooth(APRS版)PMG P2RX01NMAIN432500
Mackie_Linear_Power_Supply_(Onyx_I-_ProFX)_Schematic电器原理图
D把把把把栏轻铝镫格OWSSS HOINTEDCT图△】无端端D5平4he平EA5wemc9eT兰g过gaw一ACHEMAnC0N-1 MEOIUM SUP汽¥《00-24 VAC_INPUT口OHu Om2035156XAa:2532
古野FURUNO-fm8500_维修手册
BackFURUNOOSERVICEMANUALMARINE VHF RADIOTELEPHONEMODELFM-8500FURUNO ELECTRIC CO.,LTD.NISHINOMIYA,JAPAN
八重洲Yaesu_FL-2025_FL-6020_FL-7025_user操作说明书手册
FL-2025,FL-6020 FL-7025 LINEAR AMPLIFIERSAND MMB-31 MOBILE MOUNTING BRACKETFOR THE FT-290RII,FT-690RI FT-790RIThe FL-2025 (25-watt),FL-6020 (10-watt)and FL-7025 (25-watt)Linear Amp...
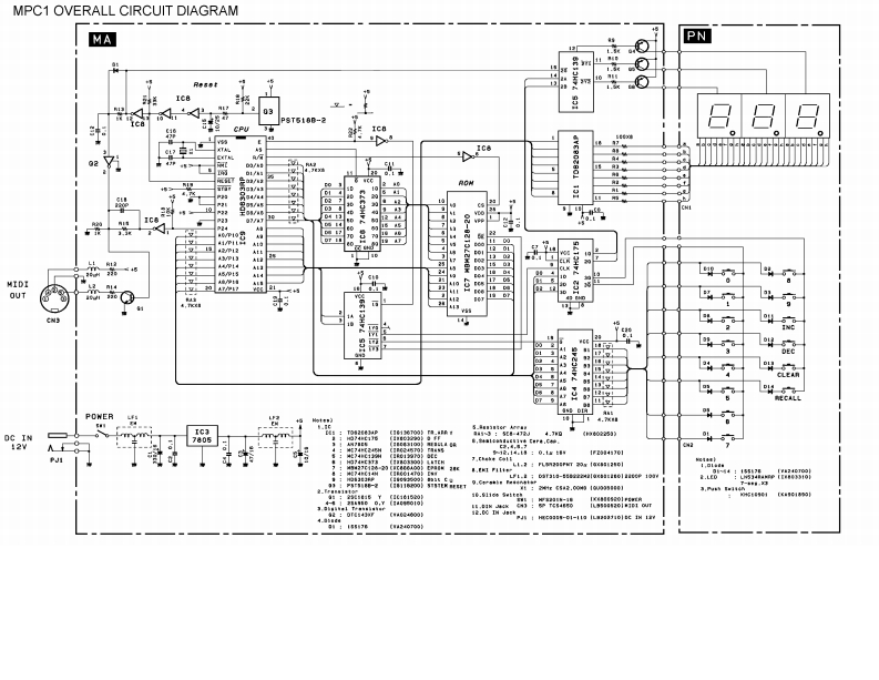
雅马哈Yamaha-MPC1-Midi-Program-Controller-Schematic电器原理图
MPC1 OVERALL CIRCUIT DIAGRAMMAPNSESOKP&Ice,038T5160-2特T从561721EZEOHFL22e?,,01AP】E45MIDI有≥会gOUT+514DEC2H六ECALLPOWER40g0月、的Ica4.10ocIN《022537e0542¥41,71FL29879g1年655201....
JLG-3120841_AM_600A-600AJ_JLG_Parts_English维修维护与零部件目录手册
GIllustrated Parts ManualModels600A600AJPrior toSN0300069000P/N3120841January 31,2019-Rev AM(∈G
中联重工Manual-de-维修保养手册含电器液压原理图
PT-SELIONZOOMLIONOOMLIONZOOMLIONZOOMLIONZOOMLIONMLIONZOOMLIONZOOMLIONZOOMLIONZOOMLIOZA18JOMLIONManual de Servico e ManutencaoOMLIONZOOMLION INTELLIGENT ACCESS MACHINERY CO.,LTD.ZOO...
IC-9700_Service_Manual维修手册-(1)
icomSERVICEMANUALVHF/UHF ALL MODE TRANSCEIVERI-9700S-15513XZ-C1March 2019Icom Inc.

































-d6add8f2a2-pdf-1.webp)


-2fd315ceb4-pdf-1.webp)







_Schematic电器原理图-5a49db9f2b-pdf-1.webp)






-63e3a0a76d-pdf-1.webp)

